SLBLDC-MTR-RD, Sensorless BLDC Motor Reference Design
使用 Silicon Labs 的 C8051F310 的参考设计
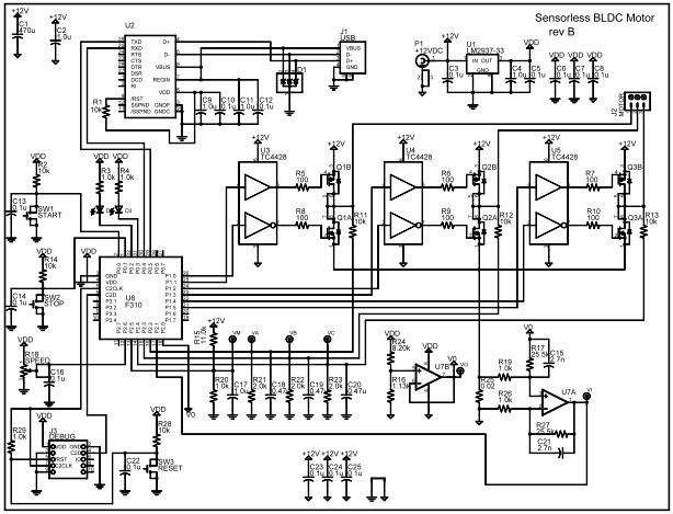
Image
1 / 2
说明
- SLBLDC-MTR-RD, Sensorless BLDC Motor Reference Design illustrates how to use the 5 mm x 5 mm C8051F310 microcontroller for high performance sensorless BLDC motor applications. This reference design can also be used as a platform for motor code development. The firmware (AN208SW) demonstrates sensorless brushless DC motor control and measures motor position without the use of position sensors
主要特色
-
Motor TypeDC Motor
Featured Parts (15)
| 零件编号 | 供应商 | 类别 | 说明 | |||
|---|---|---|---|---|---|---|
|
|
LM2937IMP-3.3/NOPB | Texas Instruments | Linear Regulators | LDO Regulator Pos 3.3V 0.5A Automotive 4-Pin(3+Tab) SOT-223 T/R | 买入 | |
|
|
TC4428COA713 | Microchip Technology | Gate and Power Drivers | Driver 1.5A 2-OUT Low Side Inv/Non-Inv 8-Pin SOIC N T/R | 买入 | |
|
|
LMV358M/NOPB | Texas Instruments | Operational Amplifiers - Op Amps | Op Amp Dual Low Voltage Amplifier R-R O/P 5.5V 8-Pin SOIC Tube | 买入 | |
|
|
LMV358MMX | Texas Instruments | Operational Amplifiers - Op Amps | Op Amp Dual Low Voltage Amplifier R-R O/P 5.5V 8-Pin VSSOP T/R | 买入 | |
|
|
LMV358MM/NOPB | Texas Instruments | Operational Amplifiers - Op Amps | Op Amp Dual Low Voltage Amplifier R-R O/P 5.5V 8-Pin VSSOP T/R | 买入 | |
|
|
LM2937IMP-3.3/NOPB | Texas Instruments | Linear Regulators | LDO Regulator Pos 3.3V 0.5A Automotive 4-Pin(3+Tab) SOT-223 T/R | 买入 | |
|
|
LMV358MX/NOPB | Texas Instruments | Operational Amplifiers - Op Amps | Op Amp Dual Low Voltage Amplifier R-R O/P 5.5V 8-Pin SOIC T/R | 买入 | |
|
|
LMV358MX/NOPB | Texas Instruments | Operational Amplifiers - Op Amps | Op Amp Dual Low Voltage Amplifier R-R O/P 5.5V 8-Pin SOIC T/R | 买入 | |
|
|
LMV358M/NOPB | Texas Instruments | Operational Amplifiers - Op Amps | Op Amp Dual Low Voltage Amplifier R-R O/P 5.5V 8-Pin SOIC Tube | 买入 | |
|
|
LMV358MMX/NOPB | Texas Instruments | Operational Amplifiers - Op Amps | Op Amp Dual Low Voltage Amplifier R-R O/P 5.5V 8-Pin VSSOP T/R | 买入 | |
|
|
LMV358MMX/NOPB | Texas Instruments | Operational Amplifiers - Op Amps | Op Amp Dual Low Voltage Amplifier R-R O/P 5.5V 8-Pin VSSOP T/R | 买入 | |
|
|
TC4428COA | Microchip Technology | Gate and Power Drivers | Driver 1.5A 2-OUT Low Side Inv/Non-Inv 8-Pin SOIC N Tube | 买入 | |