PMP9461.7, Complete Gate Drive and Bias Power Solution for Solar Micro Inverter's DC/DC and DC/AC Blocks
使用 Texas Instruments 的 SM72295MA 的参考设计
Image
1 / 11
说明
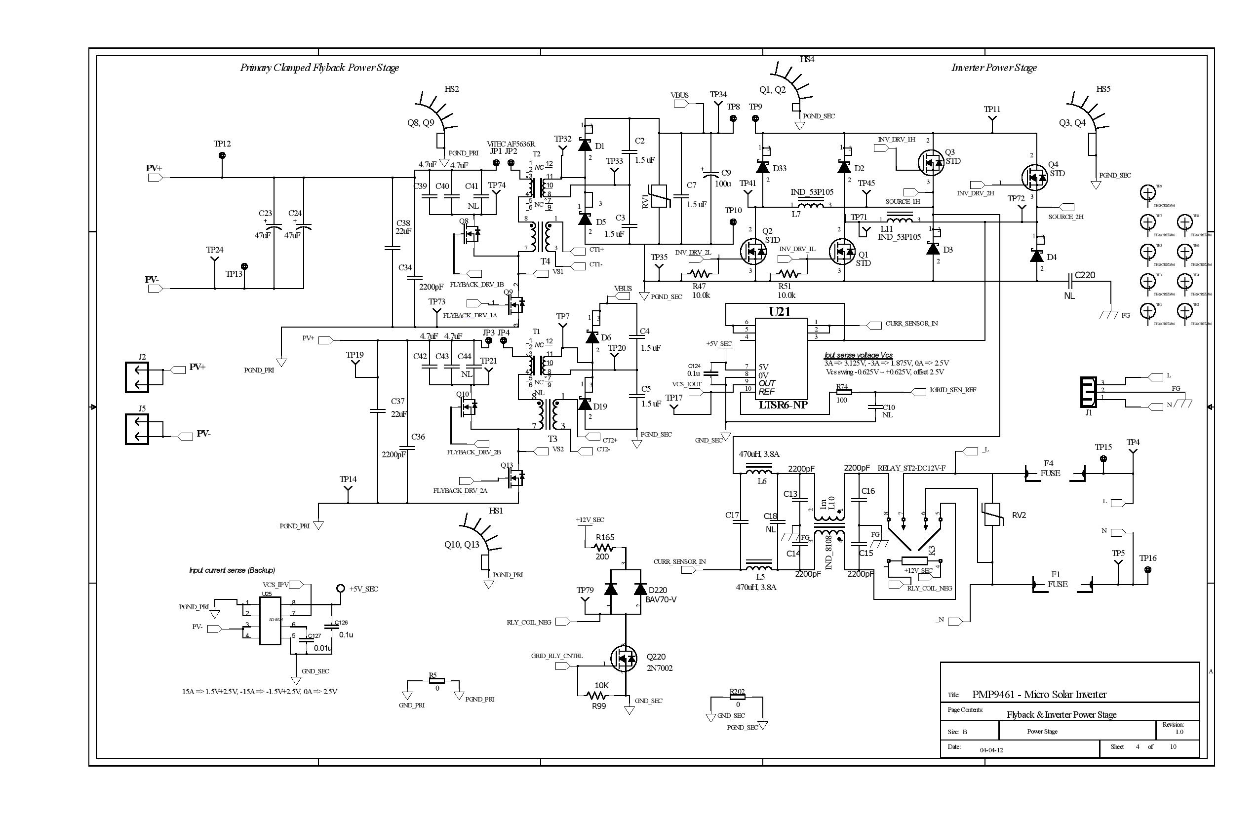
- PMP9461.7, Complete Gate Drive and Bias Power Solution for Solar Micro Inverter's DC/DC and DC/AC Blocks. PMP9461 is a reference design with complete power and gate drive requirements for grid tie solar micro-inverters. The major goal of the reference design is to achieve significant integration and performance enhancement in gate drive as well as the bias supply segment of micro-inverters. The solution features SM72295 (full bridge gate driver with integrated current sense), SM74101 (7A Sink/3A source single driver), SM72482 (5A dual low side driver), LM5017 (as primary and secondary bias supply provider) and again the LM5017 for powering up the drivers in DC/AC section of inverters
主要特色
-
Conversion TypeDC to DC
-
Input Voltage20 to 40 V
-
Output Voltage10.5 V
-
Output Current0.01 A
-
Output Power0.105 W
-
Efficiency90.2 %
-
TopologyBuck- Synchronous
Featured Parts (49)
| 零件编号 | 供应商 | 类别 | 说明 | |||
|---|---|---|---|---|---|---|
|
|
OPA2171AIDCUR | Texas Instruments | Operational Amplifiers - Op Amps | Op Amp Dual Precision Amplifier R-R O/P ±18V/36V 8-Pin VSSOP T/R | 买入 | |
|
|
ISO7420FEDR | Texas Instruments | Digital Isolators | Digital Isolator Logic 2-CH 50Mbps 8-Pin SOIC T/R | 买入 | |
|
|
LM5017MRX/NOPB | Texas Instruments | DC to DC Converter and Switching Regulator Chip | Conv DC-DC 7.5V to 100V Synchronous Step Down Single-Out 1.225V 0.6A 8-Pin HSOIC EP T/R | 买入 | |
|
|
LM5017MR/NOPB | Texas Instruments | DC to DC Converter and Switching Regulator Chip | Conv DC-DC 7.5V to 100V Synchronous Step Down Single-Out 1.225V 0.6A 8-Pin HSOIC EP Tube | 买入 | |
|
|
LM5017MRE/NOPB | Texas Instruments | DC to DC Converter and Switching Regulator Chip | Conv DC-DC 7.5V to 100V Synchronous Step Down Single-Out 1.225V 0.6A 8-Pin HSOIC EP T/R | 买入 | |
|
|
AMC1200SDUBR | Texas Instruments | Special Purpose Amplifiers | SP Amp ISOL Amp Single 5.5V 8-Pin SOP T/R | 买入 | |
|
|
OPA2171AID | Texas Instruments | Operational Amplifiers - Op Amps | Op Amp Dual Precision Amplifier R-R O/P ±18V/36V 8-Pin SOIC Tube | 买入 | |
|
|
ISO7420FCCD | Texas Instruments | Digital Isolators | Digital Isolator CMOS 2-CH 50Mbps 8-Pin SOIC Tube | 买入 | |
|
|
ISO7420ED | Texas Instruments | Digital Isolators | Digital Isolator Logic 2-CH 50Mbps 8-Pin SOIC Tube | 买入 | |
|
|
UCC27531DBVT | Texas Instruments | Gate and Power Drivers | Driver 5A 1-OUT High Side/Low Side Non-Inv 6-Pin SOT-23 T/R | 买入 | |
|
|
TPS79533DCQ | Texas Instruments | Linear Regulators | LDO Regulator Pos 3.3V 0.5A 6-Pin(5+Tab) SOT-223 Tube | 买入 | |
|
|
OPA2171MDCUTEP | Texas Instruments | Operational Amplifiers - Op Amps | Op Amp Dual Precision Amplifier R-R O/P ±18V/36V 8-Pin VSSOP T/R | 买入 | |