PMP8970, 90VAC-265VAC Input, Flyback converter
使用 Texas Instruments 的 UCC28600D 的参考设计
Image
1 / 1
依据最终产品
- Computers and Peripherals
- Consumer Electronics
- Medical and Healthcare
说明
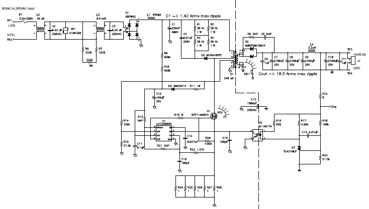
- PMP8970, 90VAC-265VAC Input, Flyback converter. PMP8970 Reference design is driven by a PWM controller called the UCC2800. It is a quasi resonant flyback controller. UCC28600 integrates built-in advanced energy saving features with high level protection features to provide cost effective solutions for energy efficient power supplies. UCC28600 incorporates frequency fold back and green mode operation to reduce the operation frequency at light load and no load operations
主要特色
-
Conversion TypeAC to DC
-
Input Voltage90 to 265 (AC) V
-
Output Voltage14 V
-
Output Current6.5 A
-
Output Power91 W
-
TopologyFlyback- Quasi Resonant
Featured Parts (7)
| 零件编号 | 供应商 | 类别 | 说明 | |||
|---|---|---|---|---|---|---|
|
|
TL431AILP | Texas Instruments | Voltage References | V-Ref Adjustable 2.495V to 36V 100mA 3-Pin TO-92 Bulk | 买入 | |
|
|
TL431AILPR | Texas Instruments | Voltage References | V-Ref Adjustable 2.495V to 36V 100mA 3-Pin TO-92 T/R | 买入 | |
|
|
TL431AILPM | Texas Instruments | Voltage References | V-Ref Adjustable 2.495V to 36V 100mA 3-Pin TO-92 Ammo | 买入 | |
|
|
UCC28600DR | Texas Instruments | AC to DC Switching Converters | AC to DC Switching Converter Flyback T/R 8-Pin SOIC | 买入 | |
|
|
UCC28600DG4 | Texas Instruments | AC to DC Switching Converters | AC to DC Switching Converter Flyback Tube 8-Pin SOIC | 买入 | |
|
|
UCC28600DRG4 | Texas Instruments | AC to DC Switching Converters | AC to DC Switching Converter Flyback T/R 8-Pin SOIC | 买入 | |
|
|
UCC28600D | Texas Instruments | AC to DC Switching Converters | AC to DC Switching Converter Flyback Tube 8-Pin SOIC | 买入 | |