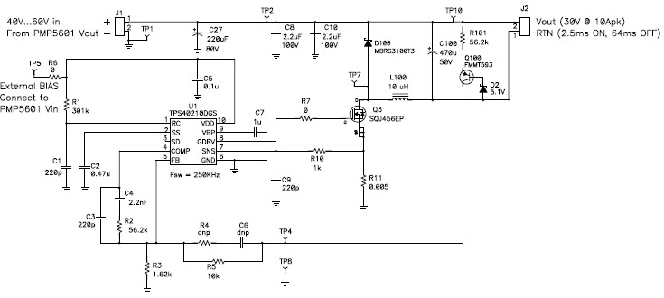
PMP5602, 30V @ 10Apk, 2.5ms ON, 64ms OFF Reference Design
使用 Texas Instruments 的 TPS40210DGQ 的参考设计
Image
1 / 1
依据最终产品
- Automotive and Transportation
说明
- PMP5602, Reference Design is a high side Buck converter, able to supply 300W peak (30V @ 10A) for 2.5 millisec, and 64 millisec OFF (3.76% duty-cycle). Input voltage range is 40 to 60V
主要特色
-
Conversion TypeDC to DC
-
Input Voltage40 to 60 V
-
Output Voltage30 V
-
Output Current10 A
-
Output Power300 W
-
TopologyBuck- Upside Down
Featured Parts (5)
| 零件编号 | 供应商 | 类别 | 说明 | |||
|---|---|---|---|---|---|---|
|
|
TPS40210 | Texas Instruments | DC to DC Controllers | DC/DC Cntrlr Single-OUT Step Up 1000kHz 10-Pin HVSSOP EP Tube | 买入 | |
|
|
TPS40210DGQ | Texas Instruments | DC to DC Controllers | DC/DC Cntrlr Single-OUT Step Up 1000kHz 10-Pin HVSSOP EP Tube | 买入 | |
|
|
TPS40210DGQR | Texas Instruments | DC to DC Controllers | DC/DC Cntrlr Single-OUT Step Up 1000kHz 10-Pin HVSSOP EP T/R | 买入 | |
|
|
TPS40210DGQG4 | Texas Instruments | DC to DC Controllers | DC/DC Cntrlr Single-OUT Step Up 1000kHz 10-Pin HVSSOP EP Tube | 买入 | |
|
|
TPS40210DGQRG4 | Texas Instruments | DC to DC Controllers | DC/DC Cntrlr Single-OUT Step Up 1000kHz 10-Pin HVSSOP EP T/R | 买入 | |