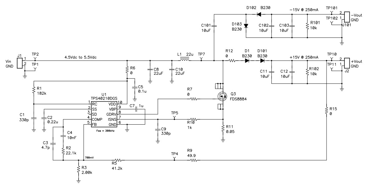
PMP2666, TPS40210 Dual Boost Converter
使用 Texas Instruments 的 TPS40210DG 的参考设计
Image
1 / 1
相关文件
依据最终产品
- Electrocardiograph Battery Powered
- Industrial Control
- LED Lighting
说明
- PMP2666, Simple, low power dual boost +/-15V out of 5V input with TPS40210
主要特色
-
Conversion TypeDC to DC
-
Input Voltage5 V
-
Output Voltage-15|15 V
-
Efficiency95 %
-
TopologyBoost
Featured Parts (5)
| 零件编号 | 供应商 | 类别 | 说明 | |||
|---|---|---|---|---|---|---|
|
|
TPS40210DGQRG4 | Texas Instruments | DC to DC Controllers | DC/DC Cntrlr Single-OUT Step Up 1000kHz 10-Pin HVSSOP EP T/R | 买入 | |
|
|
TPS40210DGQ | Texas Instruments | DC to DC Controllers | DC/DC Cntrlr Single-OUT Step Up 1000kHz 10-Pin HVSSOP EP Tube | 买入 | |
|
|
TPS40210DGQG4 | Texas Instruments | DC to DC Controllers | DC/DC Cntrlr Single-OUT Step Up 1000kHz 10-Pin HVSSOP EP Tube | 买入 | |
|
|
TPS40210 | Texas Instruments | DC to DC Controllers | DC/DC Cntrlr Single-OUT Step Up 1000kHz 10-Pin HVSSOP EP Tube | 买入 | |
|
|
TPS40210DGQR | Texas Instruments | DC to DC Controllers | DC/DC Cntrlr Single-OUT Step Up 1000kHz 10-Pin HVSSOP EP T/R | 买入 | |