PMP11311.1, Power Reference Design for a Wearable Device with Wireless Charging using the bq51003 and bq25120
使用 Texas Instruments 的 TPS62743YFPR 的参考设计
Image
1 / 4
依据最终产品
- Smart Watch
- Wearable Electronics
说明
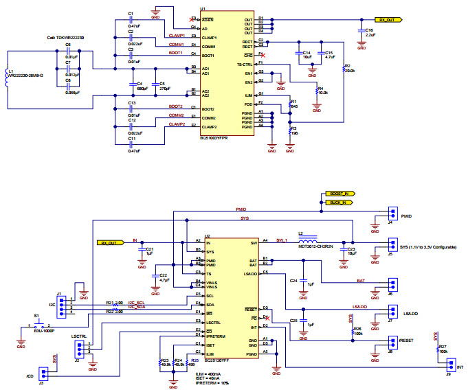
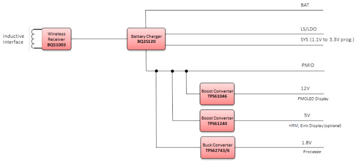
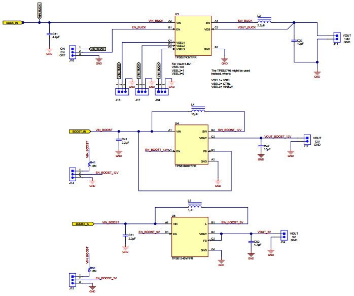
- PMP11311.1, Power Reference Design for a Wearable Device with Wireless Charging using the bq51003 and bq25120. Wearable devices require advanced power management to achieve long battery run times with always-on functionality. The devices need to use small rechargeable batteries and enable small footprint designs. This application note shows the implementation of a scalable power management solution for wearables that can be tailored for activity monitors or smart watches. The design provides a wireless charging input, highly configurable battery management solution with Li-Ion battery charger and low quiescent current (Iq) DC/DC buck, boost converter for PMOLED display, boost converter for Heart Rate Monitor (HRM) and second configurable low Iq DC/DC buck
主要特色
-
Conversion TypeDC to DC
-
Input Voltage3.4 to 20 V
-
Output Voltage4.2 V
-
Output Current0.3 A
-
Output Power1.26 W
-
TopologyLDO
Featured Parts (4)
| 零件编号 | 供应商 | 类别 | 说明 | |||
|---|---|---|---|---|---|---|
|
|
TPS61240YFFR | Texas Instruments | DC to DC Converter and Switching Regulator Chip | Conv DC-DC 2.3V to 5.5V Synchronous Step Up Single-Out 5V 0.45A 6-Pin DSBGA T/R | 买入 | |
|
|
BQ51003YFPR | Texas Instruments | Wireless Charging ICs | 2.5W Wireless Power Transmitter/Receiver 28-Pin DSBGA | 买入 | |
|
|
TPS61046YFFR | Texas Instruments | DC to DC Converter and Switching Regulator Chip | Conv DC-DC 1.8V to 5.5V Step Up Single-Out 4.5V to 28V 6-Pin DSBGA T/R | 买入 | |
|
|
TPS62743YFPR | Texas Instruments | DC to DC Converter and Switching Regulator Chip | Conv DC-DC 2.15V to 5.5V Synchronous Step Down Single-Out 1.2V to 3.3V 0.3A 8-Pin DSBGA T/R | 买入 | |