Overlaying MPC823 Graphics on a Remote Video Source Application Note

使用 NXP Semiconductors 的 MPC823 的参考设计

供应商

NXP Semiconductors
  • 应用类别
    视频
  • 产品类别
    视频系统

依据最终产品

  • Computer Numeric Control

说明

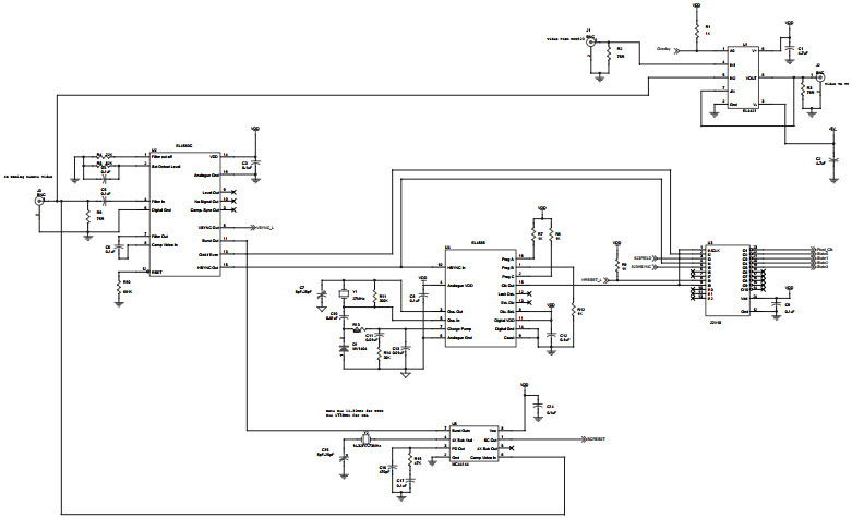
  • Video Overlay Circuit for the MPC823 is a very powerful and flexible embedded microprocessor. This part compasses a PowerPC core, a communications processor module and a system integration unit. A video controller forms part of this system integration unit. The flexibility of the part allows the MPC823 to be used in numerous applications. One such application is in web access equipment

请仔细阅读我们近期更改的隐私政策。当按下确认键时,您已了解并同意艾睿电子的隐私政策和用户协议。

本网站需使用cookies以改善用户您的体验并进一步改进我们的网站。此处阅读了解关于网站cookies的使用以及如何禁用cookies。网页cookies和追踪功能或許用于市场分析。当您按下同意按钮,您已经了解并同意在您的设备上接受cookies,并给予网站追踪权限。更多关于如何取消网站cookies及追踪的信息,请点击下方“阅读更多”。尽管同意启用cookies追踪与否取决用户意愿,取消网页cookies及追踪可能导致网站运作或显示异常,亦或导致相关推荐广告减少。

我们尊重您的隐私。请在此阅读我们的隐私政策。