MIC2176-2YMM 5A EV, Evaluation Board for the 0.8V, 0.9V, 1V, 1.2V, 1.5V, 1.8V, 2.5V, 3.3V, 5V DC to DC Single Output Power Supply for Wired Networking

使用 Microchip Technology 的 MIC2176-2YMM 的参考设计

供应商

Microchip Technology
  • 应用类别
    电源
  • 产品类别
    直流到直流单输出电源

依据最终产品

  • Distributed Control System
  • Graphics Card
  • Printers
  • Scanners
  • Servers
  • Telecom Power Supply
  • Wired Networking

说明

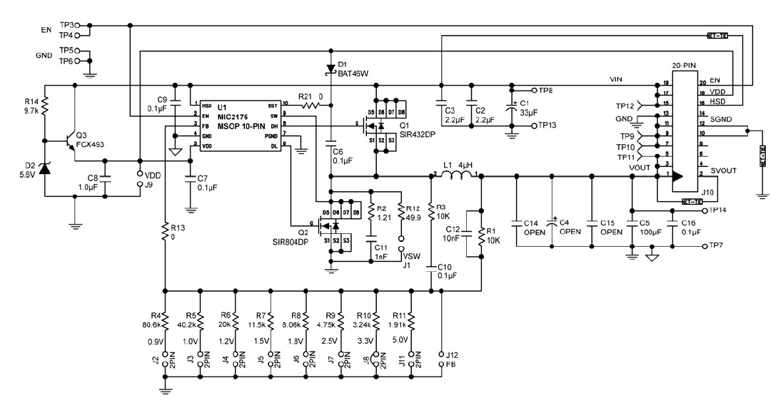
  • MIC2176-2YMM 5A EV, Evaluation Board for the 0.8V, 0.9V, 1V, 1.2V, 1.5V, 1.8V, 2.5V, 3.3V, 5V DC to DC Single Output Power Supply for Wired Networking. The MIC2176-1/-2/-3 is a family of constant frequency, synchronous buck controllers featuring a unique digitally modified adaptive ON-time control architecture

主要特色

  • Conversion Type
    DC to DC
  • Input Voltage
    4.5 to 75 V
  • Output Voltage
    0.8|0.9|1|1.2|1.5|1.8|2.5|3.3|5 V
  • Output Current
    5 A
  • Topology
    Buck

请仔细阅读我们近期更改的隐私政策。当按下确认键时,您已了解并同意艾睿电子的隐私政策和用户协议。

本网站需使用cookies以改善用户您的体验并进一步改进我们的网站。此处阅读了解关于网站cookies的使用以及如何禁用cookies。网页cookies和追踪功能或許用于市场分析。当您按下同意按钮,您已经了解并同意在您的设备上接受cookies,并给予网站追踪权限。更多关于如何取消网站cookies及追踪的信息,请点击下方“阅读更多”。尽管同意启用cookies追踪与否取决用户意愿,取消网页cookies及追踪可能导致网站运作或显示异常,亦或导致相关推荐广告减少。

我们尊重您的隐私。请在此阅读我们的隐私政策。