MAX77860EVKIT#, Evaluation Kit for MAX77860 USB Type-C, 3A Switch-Mode Buck Charger with Integrated CC Detection, Reverse Boost and ADC
使用 Analog Devices 的 MAX77860EWG+ 的参考设计
Image
1 / 3
依据最终产品
- Industrial Equipments
- Mobile Point-of-Sale (mPOS)
- Portable Medical Instrumentation
- USB Charger
说明
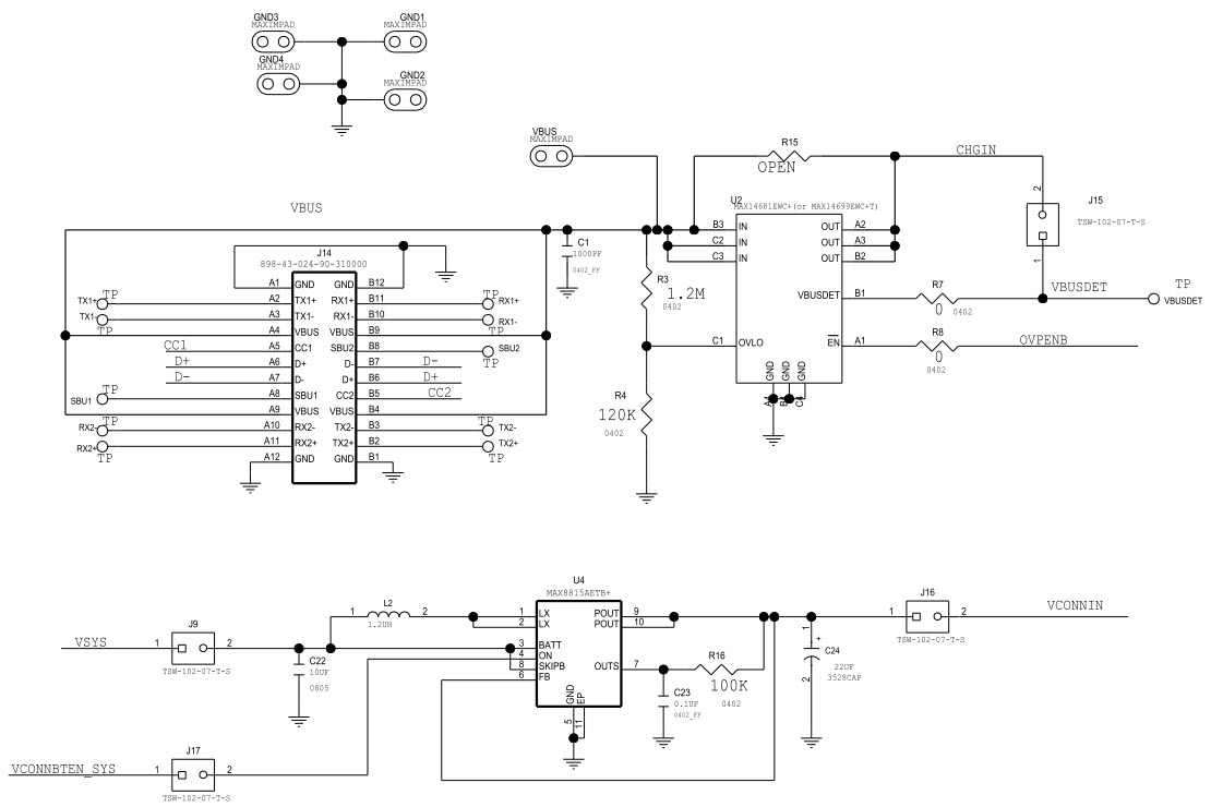
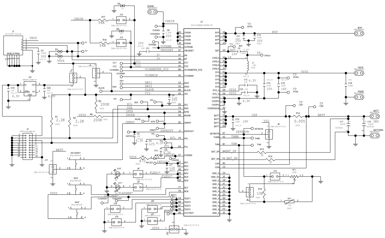
- MAX77860EVKIT#, Evaluation Kit (EV Kit) is a fully assembled and tested surface-mount printed circuit board (PCB) that evaluates the single input switched-mode battery charger featuring USB Type-C CC detection and charging capability in addition to reverse boost capability and a safest LDO. The MAX77860 EV system includes the integrated circuit (IC) evaluation board with an integrated I2C interface and a MINIQUSB communication device
主要特色
-
Battery TypeLithium-Ion
-
Input Voltage4 to 13.5 V
-
Number of Battery Cells1
Featured Parts (12)
| 零件编号 | 供应商 | 类别 | 说明 | |||
|---|---|---|---|---|---|---|
|
|
MAX8511EXK18+ | Analog Devices | Linear Regulators | LDO Regulator Pos 1.8V 0.12A 5-Pin SC-70 T/R | 买入 | |
|
|
MAX8815AETB+T | Analog Devices | DC to DC Converter and Switching Regulator Chip | Conv DC-DC 1.2V to 5.5V Synchronous Step Up Single-Out 1.265V to 5.5V 1A 10-Pin TDFN EP T/R | 买入 | |
|
|
MAX8815AETB+ | Analog Devices | DC to DC Converter and Switching Regulator Chip | Conv DC-DC 1.2V to 5.5V Synchronous Step Up Single-Out 1.265V to 5.5V 1A 10-Pin TDFN EP T/R | 买入 | |
|
|
MAX8815AETB+ | Analog Devices | DC to DC Converter and Switching Regulator Chip | Conv DC-DC 1.2V to 5.5V Synchronous Step Up Single-Out 1.265V to 5.5V 1A 10-Pin TDFN EP T/R | 买入 | |
|
|
MAX8511EXK18+T | Analog Devices | Linear Regulators | LDO Regulator Pos 1.8V 0.12A 5-Pin SC-70 T/R | 买入 | |
|
|
MAX8511EXK18+T | Analog Devices | Linear Regulators | LDO Regulator Pos 1.8V 0.12A 5-Pin SC-70 T/R | 买入 | |
|
|
MAX8815AETB+T | Analog Devices | DC to DC Converter and Switching Regulator Chip | Conv DC-DC 1.2V to 5.5V Synchronous Step Up Single-Out 1.265V to 5.5V 1A 10-Pin TDFN EP T/R | 买入 | |
|
|
MAX8511EXK18+ | Analog Devices | Linear Regulators | LDO Regulator Pos 1.8V 0.12A 5-Pin SC-70 T/R | 买入 | |
|
|
MAX77860EWG+T | Analog Devices | Battery Management ICs | Battery Charger Detector Li-Ion/Li-Pol 3150mA 4.2V 81-Pin WLP T/R | 买入 | |
|
|
MAX77860EWG+ | Analog Devices | Battery Management ICs | Battery Charger Detector Li-Ion/Li-Pol 3150mA 4.2V 81-Pin WLP T/R | 买入 | |
|
|
MAX77860EWG+ | Analog Devices | Battery Management ICs | Battery Charger Detector Li-Ion/Li-Pol 3150mA 4.2V 81-Pin WLP T/R | 买入 | |
|
|
MAX77860EWG+T | Analog Devices | Battery Management ICs | Battery Charger Detector Li-Ion/Li-Pol 3150mA 4.2V 81-Pin WLP T/R | 买入 | |