MAX4952AEVKIT+, Evaluation Kit for the MAX4952A Dual Equalized 1.5/3/6 GT/s SAS/SATA Redriver
使用 Analog Devices 的 MAX4952ACTI+ 的参考设计
Image
1 / 3
依据最终产品
- Data Storage Devices
- Desktop PC
- Docking Station
- Laptop
- Servers
- Workstations
说明
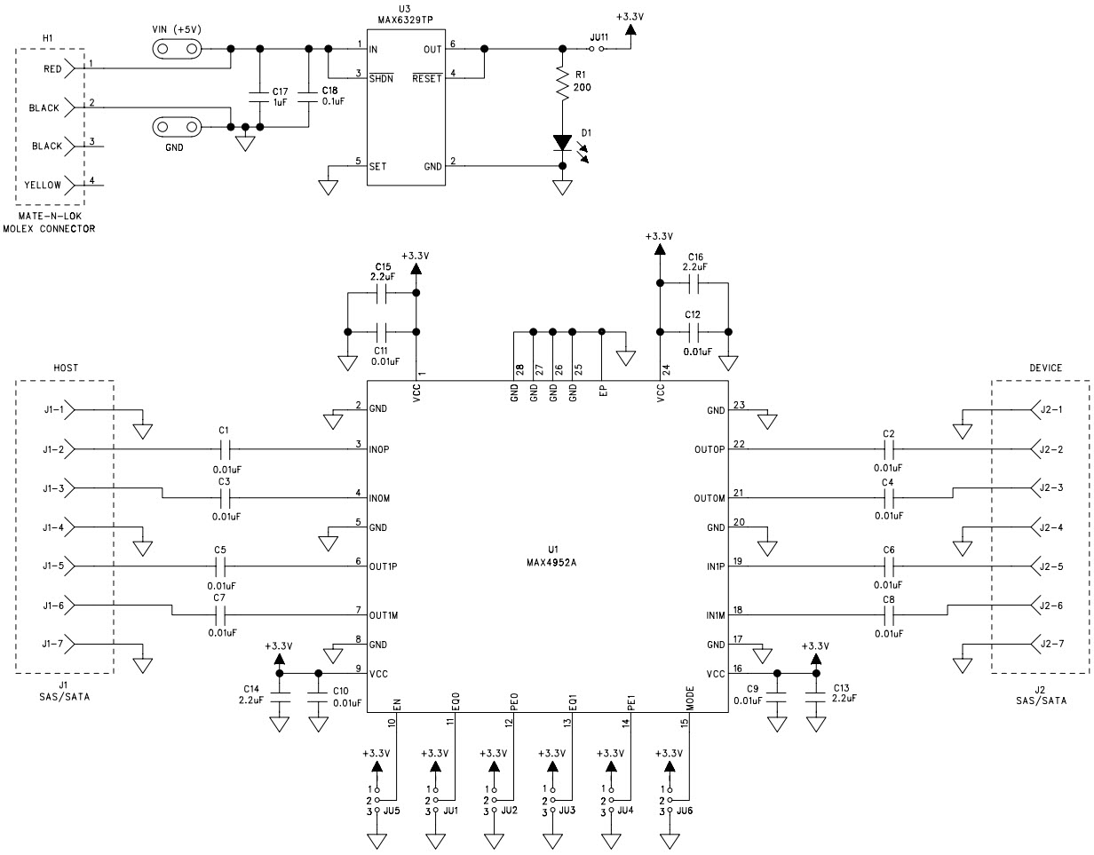
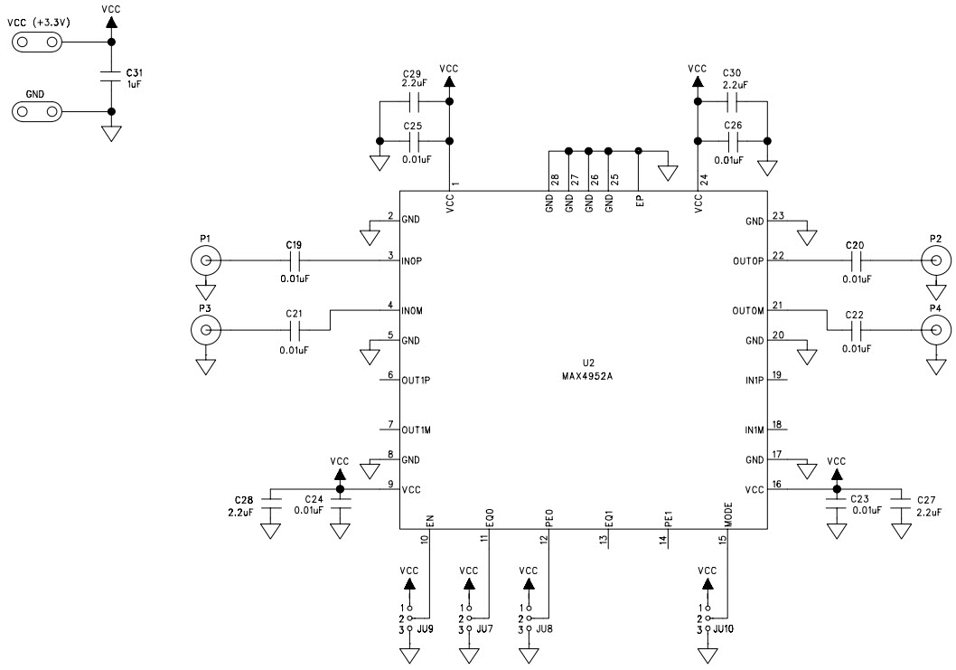
- MAX4952AEVKIT+, Evaluation Kit (EV kit) provides a proven design to evaluate the MAX4952A dual-channel buffer. The EV kit contains four sections: an application circuit, characterization circuit and two calibration traces. The application circuit (Figure 1a) is designed to demonstrate the MAX4952A IC's use in redriving Serial-Attached SCSI (SAS) and Serial ATA (SATA) signals. This section of the EV kit operates from an external +5V supply that is regulated by an on-board LDO to +3.3V, which powers the MAX4952A (U1) device
Featured Parts (4)
| 零件编号 | 供应商 | 类别 | 说明 | |||
|---|---|---|---|---|---|---|
|
|
MAX4952ACTI+T | Analog Devices | Signal Buffers and Repeaters | Repeater 3.3V 28-Pin TQFN EP T/R | 买入 | |
|
|
MAX4952ACTI+ | Analog Devices | Signal Buffers and Repeaters | Repeater 3.3V 28-Pin TQFN EP Tube | 买入 | |
|
|
MAX4952ACTI+ | Analog Devices | Signal Buffers and Repeaters | Repeater 3.3V 28-Pin TQFN EP Tube | 买入 | |
|
|
MAX4952ACTI+T | Analog Devices | Signal Buffers and Repeaters | Repeater 3.3V 28-Pin TQFN EP T/R | 买入 | |