MAX4951AEEVKIT+, Evaluation Kit for the MAX4951AE SATA I/II Bidirectional Redriver
使用 Analog Devices 的 MAX4951AECTP+ 的参考设计
Image
1 / 3
依据最终产品
- Data Storage Devices
- Desktop PC
- Docking Station
- Laptop
- Servers
- Workstations
说明
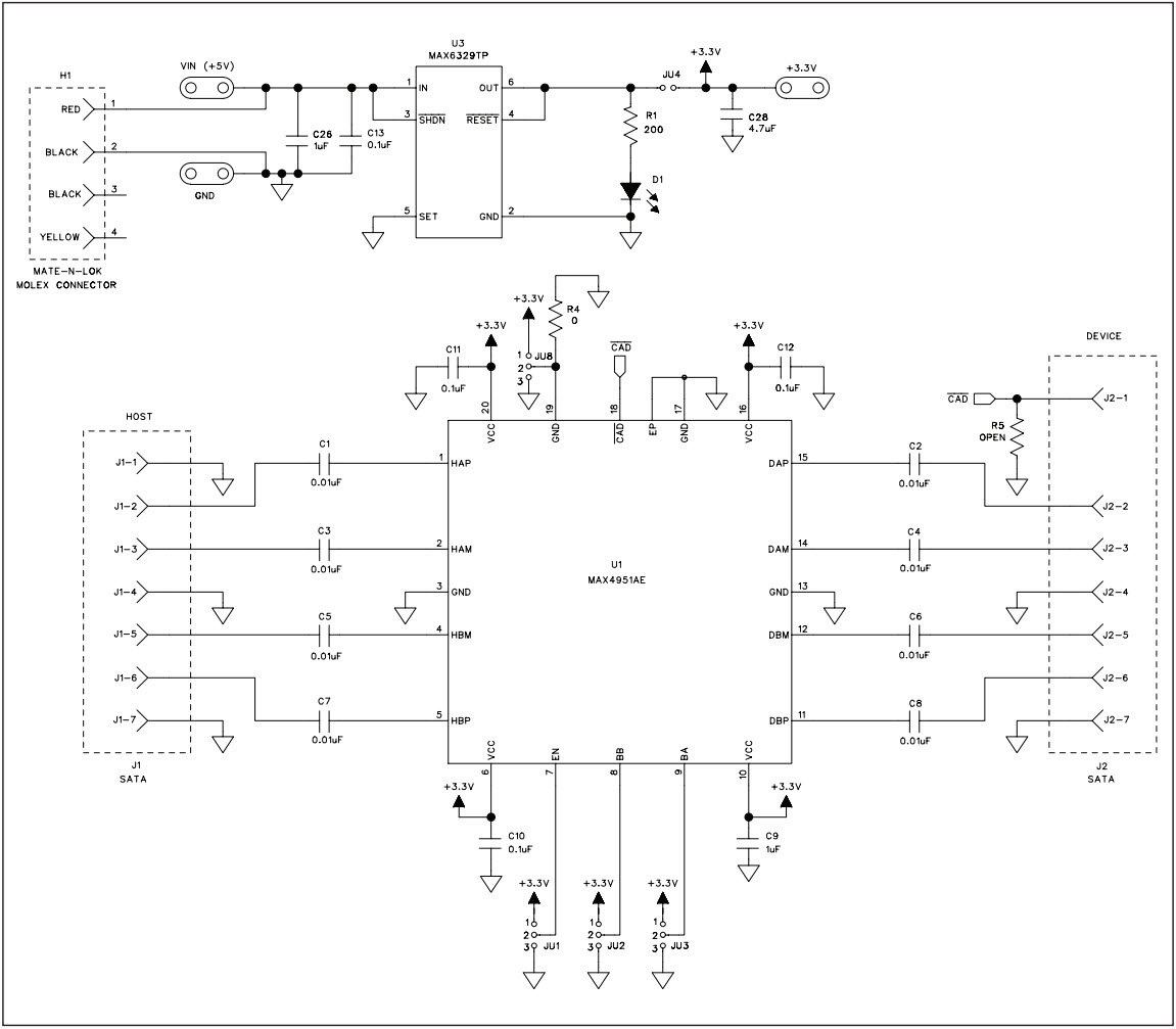
- MAX4951AEEVKIT+, Evaluation Kit (EV kit) provides a proven design to evaluate the MAX4951AE dual-channel buffer. The EV kit contains four sections: application circuit, characterization circuit and two sets of calibration traces. The application circuit is designed to demonstrate the MAX4951AE IC's use in redriving Serial-ATA (SATA) signals and SATA cable detection. This section of the EV kit operates from an external +5V supply that is regulated by an on-board LDO to +3.3V, which powers the MAX4951AE (U1) device
Featured Parts (4)
| 零件编号 | 供应商 | 类别 | 说明 | |||
|---|---|---|---|---|---|---|
|
|
MAX4951AECTP+T | Analog Devices | Signal Buffers and Repeaters | Buffer 3.3V 20-Pin TQFN EP T/R | 买入 | |
|
|
MAX4951AECTP+ | Analog Devices | Signal Buffers and Repeaters | Buffer 3.3V 20-Pin TQFN EP Tube | 买入 | |
|
|
MAX4951AECTP+ | Analog Devices | Signal Buffers and Repeaters | Buffer 3.3V 20-Pin TQFN EP Tube | 买入 | |
|
|
MAX4951AECTP+T | Analog Devices | Signal Buffers and Repeaters | Buffer 3.3V 20-Pin TQFN EP T/R | 买入 | |