LTM4614, Complete Dual and Triple Output Point-of-Load Module Regulators in 15mm-15mm Packages

使用 Analog Devices 的 LTM4614 的参考设计

供应商

Analog Devices
  • 应用类别
    电源
  • 产品类别
    直流到直流单输出电源

依据最终产品

  • Power Supplies

说明

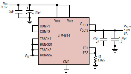
  • Circuit shows LTM4614, two switching regulators share the load in a 1.8V/8A output system

主要特色

  • Conversion Type
    DC to DC
  • Input Voltage
    3.3 V
  • Output Voltage
    1.8 V
  • Output Current
    8 A
  • Topology
    Buck

请仔细阅读我们近期更改的隐私政策。当按下确认键时,您已了解并同意艾睿电子的隐私政策和用户协议。

本网站需使用cookies以改善用户您的体验并进一步改进我们的网站。此处阅读了解关于网站cookies的使用以及如何禁用cookies。网页cookies和追踪功能或許用于市场分析。当您按下同意按钮,您已经了解并同意在您的设备上接受cookies,并给予网站追踪权限。更多关于如何取消网站cookies及追踪的信息,请点击下方“阅读更多”。尽管同意启用cookies追踪与否取决用户意愿,取消网页cookies及追踪可能导致网站运作或显示异常,亦或导致相关推荐广告减少。

我们尊重您的隐私。请在此阅读我们的隐私政策。