LM3445TRIACEVAL, AN-1978 LM3445 120VAC Small Evaluation Board for LM3445 LED Driver
使用 Texas Instruments 的 LM3445MM 的参考设计
Image
1 / 1
相关文件
依据最终产品
- Industrial LED Lighting
- Residential Lighting
- Solid state lighting
说明
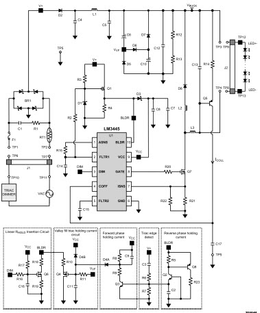
- LM3445TRIACEVAL, AN-1978 LM3445 120VAC Small Evaluation Board for LM3445 LED Driver. The demonstration board included in this shipment converts 90VAC to 135VAC input and drives six, to thirteen series connected LED's at 350 mA average current. The LM3445 switching frequency ranges from about 70 kHz with six series connected LEDs, to about 110 kHz with thirteen series connected LEDs. The switching frequency can be modified to optimize performance. This is a four-layer board using the bottom and top layer for component placement
主要特色
-
Input Voltage90 to 135 (AC) V
-
Output Current0.35 A
-
Number of Derived Elements6 to 13
Featured Parts (4)
| 零件编号 | 供应商 | 类别 | 说明 | |||
|---|---|---|---|---|---|---|
|
|
LM3445MM/NOPB | Texas Instruments | LED Drivers | LED Driver 2850uA Supply Current 10-Pin VSSOP T/R | 买入 | |
|
|
LM3445MMX/NOPB | Texas Instruments | LED Drivers | LED Driver 2850uA Supply Current 10-Pin VSSOP T/R | 买入 | |
|
|
LM3445MMX/NOPB | Texas Instruments | LED Drivers | LED Driver 2850uA Supply Current 10-Pin VSSOP T/R | 买入 | |
|
|
LM3445MM/NOPB | Texas Instruments | LED Drivers | LED Driver 2850uA Supply Current 10-Pin VSSOP T/R | 买入 | |