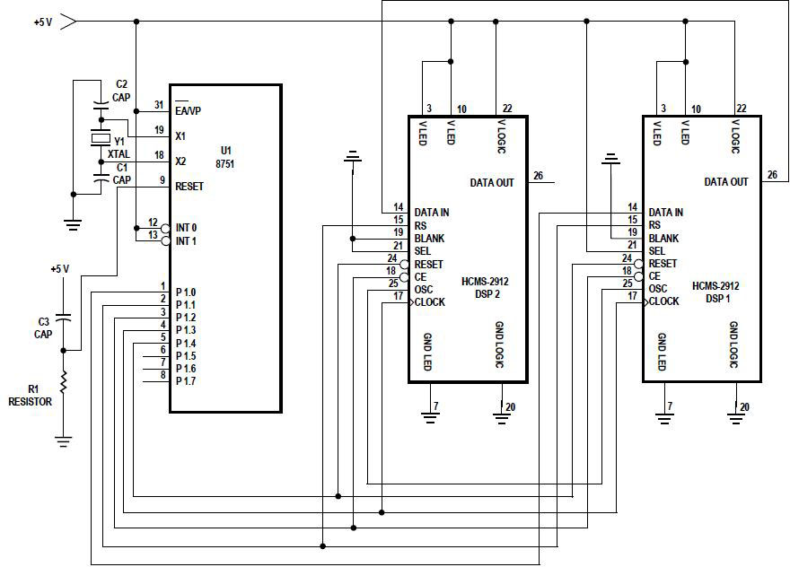
Interfacing the HCMS-29xx/HCMS-39xx LED Alphanumeric Displays with the Intel 8751H Microcontroller

使用 Broadcom Inc 的 HCMS-2912 的参考设计

供应商

Broadcom Inc
  • 应用类别
    显示器
  • 产品类别
    发光二极管显示驱动器

依据最终产品

  • Displays

说明

  • Interfacing the HCMS-29xx/HCMS-39xx 5x7 alphanumeric displays are high performance, easy to use, x- and y-stackable dot matrix displays driven by on-board, low power CMOS ICs. These displays have a serial IC interface that allows for higher character count information while requiring a minimum number of data lines. This family of displays comes in 4, 8, and 16-character packages. Each display can be directly interfaced with a microprocessor or microcontroller, thus eliminating the need for cumbersome interface components

主要特色

  • Display Type
    5x7 LED Matrix Display

请仔细阅读我们近期更改的隐私政策。当按下确认键时,您已了解并同意艾睿电子的隐私政策和用户协议。

本网站需使用cookies以改善用户您的体验并进一步改进我们的网站。此处阅读了解关于网站cookies的使用以及如何禁用cookies。网页cookies和追踪功能或許用于市场分析。当您按下同意按钮,您已经了解并同意在您的设备上接受cookies,并给予网站追踪权限。更多关于如何取消网站cookies及追踪的信息,请点击下方“阅读更多”。尽管同意启用cookies追踪与否取决用户意愿,取消网页cookies及追踪可能导致网站运作或显示异常,亦或导致相关推荐广告减少。

我们尊重您的隐私。请在此阅读我们的隐私政策。