ILOSENORDUG, IoT Low Power Sensor Node Reference Design Board
使用 NXP Semiconductors 的 MKW24D512VHA5 的参考设计
Image
1 / 4
依据最终产品
- Industrial-Scientific and Medical
说明
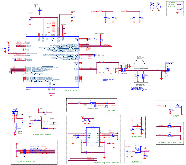
- ILOSENORDUG, IoT Low Power Sensor Node circuit board provides a diverse reference design with all necessary I/O connections to use as a self-contained board or for connection to an external application. The IoT Low Power Sensor Node board is built around the MKW24D512. The MKW24D512 wireless MCU is a 2.4 GHz Industrial, Scientific and Medical (ISM) single-chip device intended for the IEEE Std. 802.15.4, including Thread, ZigBee Pro, ZigBee RF4CE and IPv6/6loWPAN protocols. The IoT Low Power Sensor Node board contains the MKW24D512 transceiver that works in conjunction with a software stack to implement an IEEE Std. 802.15.4 platform solution
Featured Parts (4)
| 零件编号 | 供应商 | 类别 | 说明 | |||
|---|---|---|---|---|---|---|
|
|
09.10201.02 | EOZ S.A.S | Switch Slide | Switch Slide ON ON SPDT Side Slide 0.5A 24VAC 24VDC 6VA 10000Cycles PC Pins Thru-Hole | 买入 | |
|
|
Q13FC1350000412 | Seiko Epson Corporation | Crystals | Crystal 0.032768MHz ±20ppm (Tol) 12.5pF FUND 70000Ohm 2-Pin CSMD T/R | 买入 | |
|
|
FC-135 32.7680KA-A3 | Seiko Epson Corporation | Crystals | Crystal 0.032768MHz ±20ppm (Tol) 12.5pF FUND 70000Ohm 2-Pin CSMD T/R | 买入 | |
|
|
WPR-FC13532.7680KA-A3 | Seiko Epson Corporation | Crystals | Crystal 0.032768MHz ±20ppm (Tol) 12.5pF FUND 70000Ohm 2-Pin CSMD T/R | 买入 | |