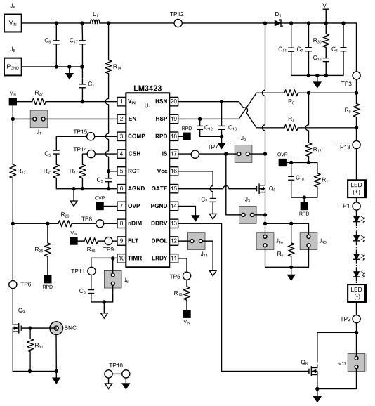
Evaluation Board using LM3423 boost regulator for 2 to 8-LEDs High Powered LED Driver
使用 Texas Instruments 的 LM3423MH 的参考设计
Image
1 / 1
相关文件
依据最终产品
- Automotive and Transportation
- Illumination
- Indoor & Outdoor Lighting
说明
- Evaluation Board using LM3423 low-side controller as a step-up (boost) regulator to deliver constant current to high power LEDs. The LM3423 is a high voltage, low-side NFET controller with an adjustable output current sense voltage. Output voltage regulation is based on peak current-mode control, which eases the design of loop compensation while providing inherent input voltage feed-forward compensation. The LM3423 includes a high-voltage start-up regulator that operates over a wide input range of 4.5V to 75V
主要特色
-
Input Voltage4.5 to 35 V
-
Output Voltage35 V
-
Output Current1 A
-
Number of Derived Elements2 to 8
Featured Parts (4)
| 零件编号 | 供应商 | 类别 | 说明 | |||
|---|---|---|---|---|---|---|
|
|
LM3423MHX/NOPB | Texas Instruments | LED Drivers | LED Driver 12 Segment 20-Pin HTSSOP EP T/R | 买入 | |
|
|
LM3423MH/NOPB | Texas Instruments | LED Drivers | LED Driver 12 Segment 20-Pin HTSSOP EP Tube | 买入 | |
|
|
LM3423MH/NOPB | Texas Instruments | LED Drivers | LED Driver 12 Segment 20-Pin HTSSOP EP Tube | 买入 | |
|
|
LM3423MHX/NOPB | Texas Instruments | LED Drivers | LED Driver 12 Segment 20-Pin HTSSOP EP T/R | 买入 | |