EVAL-ADUC7126QSPZ, QuickStart Plus Development System for Evaluating the ADuC7126 ARM7 MCU + 32bit, Debug via UART/Assembly/C-source Debugging Environment
使用 Analog Devices 的 ADuC7126BSTZ126 的参考设计
Image
1 / 4
依据最终产品
- Industrial
- Industrial Automation HMI
- Industrial Communications
- Networking
- Portable Instrumentation
- Process Control
- Sensors
说明
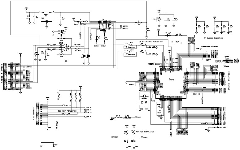
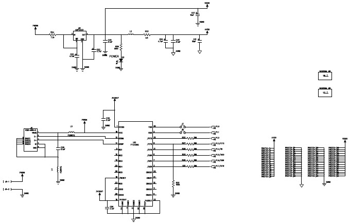
- EVAL-ADUC7126QSPZ, QuickStart Plus Development System for evaluating the ADuC7126 is a fully integrated, 1MSPS, 12-bit data acquisition system incorporating high performance multi-channel ADCs, 16-bit/32-bit MCUs and Flash/EE memory on a single chip. The QuickStart Plus Kits for the ADuC7126 Precision Analog Microcontrollers feature debug via UART and an assembly/C-source debugging environment. In addition the QuickStart Plus Kit allows true non-intrusive JTAG emulation. These kits are intended for any new users who want to have a comprehensive hardware development environment
主要特色
-
Embedded System TypeMCU
-
Family NameADuC7xxx
-
Core ProcessorARM7
-
PlatformQuickStart PLUS
Featured Parts (5)
| 零件编号 | 供应商 | 类别 | 说明 | |||
|---|---|---|---|---|---|---|
|
|
AD8606ARZ | Analog Devices | Operational Amplifiers - Op Amps | Op Amp Dual Low Noise Amplifier R-R I/O 5.5V 8-Pin SOIC N Tube | 买入 | |
|
|
90HBW08PT | Grayhill | Switch DIP | Switch DIP ON OFF SPST 8 Recessed Slide 0.1A 30VDC Gull Wing 2000Cycles 2.54mm SMD Tube | 买入 | |
|
|
ADR291ERZ | Analog Devices | Voltage References | V-Ref Fixed 2.5V 5mA 8-Pin SOIC N Tube | 买入 | |
|
|
AD8132ARMZ | Analog Devices | Special Purpose Amplifiers | SP Amp DIFF AMP Single ±5.5V/11V 8-Pin MSOP Tube | 买入 | |
|
|
ADUC7126BSTZ126 | ARM7® MicroConverter® IC | Analog Devices | Microcontrollers - MCUs | MCU 16-bit/32-bit ARM7TDMI RISC 126KB Flash 3.3V 80-Pin LQFP EP Tray | 买入 | |