EVAL-ADE7878AEBZ, Evaluation Board for the ADE7858A Energy Metering IC
使用 Analog Devices 的 ADE7858AACPZ 的参考设计
Image
1 / 35
依据最终产品
- Energy Meter
说明
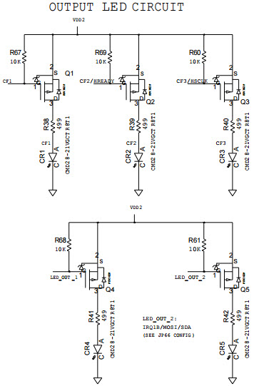
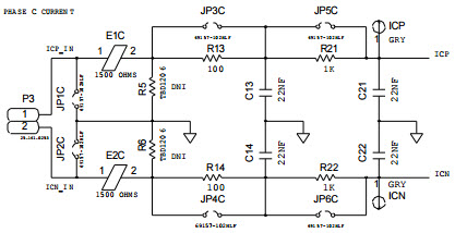
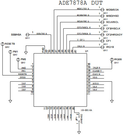
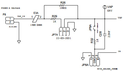
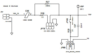
- EVAL-ADE7878AEBZ, Evaluation Board for the ADE7858A is a high accuracy, 3-phase electrical energy measurement IC with serial interfaces and three flexible pulse outputs. This IC incorporates second-order sigma-delta analog-to-digital converter (ADC), a digital integrator, reference circuitry and all of the signal processing required to perform the total (fundamental and harmonic) active and apparent energy measurements, rms calculations, and fundamental-only active and reactive energy measurements. The energy metering IC and its associated metering components are digitally isolated from the microcontroller. The microcontroller communicates with the PC using a USB interface
Featured Parts (7)
| 零件编号 | 供应商 | 类别 | 说明 | |||
|---|---|---|---|---|---|---|
|
|
ADUM1250ARZ | Analog Devices | Digital Isolators | Digital Isolator Open Collector 2-CH 1Mbps 8-Pin SOIC N Tube | 买入 | |
|
|
ECS-163.8-18-4XEN | ECS, Inc. International | Crystals | Crystal 16.384MHz ±30ppm (Tol) ±50ppm (Stability) 18pF FUND 40Ohm 2-Pin HC-49/USX Thru-Hole Bulk | 买入 | |
|
|
ADUM3401CRWZ | Analog Devices | Digital Isolators | Digital Isolator CMOS 4-CH 90Mbps 16-Pin SOIC W Tube | 买入 | |
|
|
ADP1713AUJZ-3.3-R7 | Analog Devices | Linear Regulators | LDO Regulator Pos 3.3V 0.3A 5-Pin TSOT T/R | 买入 | |
|
|
ECS-120-20-4X | ECS, Inc. International | Crystals | Crystal 12MHz ±30ppm (Tol) ±50ppm (Stability) 20pF FUND 60Ohm 2-Pin HC-49/USX Thru-Hole Bulk | 买入 | |
|
|
LPC2368FBD100 | NXP Semiconductors | Microcontrollers - MCUs | MCU 16-bit/32-bit ARM7TDMI-S RISC 512KB Flash 3.3V 100-Pin LQFP | 买入 | |
|
|
ADE7858AACPZ | Analog Devices | Data Conversion Misc | Energy Measurement 40-Pin LFCSP EP Tray | 买入 | |