EVAL-5CH6CHSOICEBZ, Evaluation Board Using iCoupler Standard Data Isolator
使用 Analog Devices 的 ADuM163N0BRZ 的参考设计
Image
1 / 2
依据最终产品
- Bus Isolation
说明
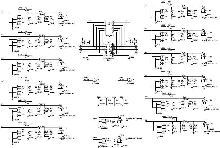
- EVAL-5CH6CHSOICEBZ, Evaluation Board supports 5-channel and 6-channel iCoupler standard data isolators in a 16-lead SOIC package. The evaluation board provides a JEDEC standard, 16-lead SOIC_N and SOIC_W pad layout. This layout supports signal distribution, loopback, and loads referenced to the VDDx or GNDx planes, as well as optimal bypass capacitance. Signal sources can be conducted to the evaluation board through header pins or through edge mounted SMA connectors (SMA connectors must be ordered separately). Screw terminal blocks on the evaluation board provide power connections
Featured Parts (53)
| 零件编号 | 供应商 | 类别 | 说明 | |||
|---|---|---|---|---|---|---|
|
|
ADUM150N0BRZ | Analog Devices | Digital Isolators | Digital Isolator CMOS 5-CH 150Mbps 16-Pin SOIC N Tube | 买入 | |
|
|
ADUM150N0BRZ-RL7 | Analog Devices | Digital Isolators | Digital Isolator CMOS 5-CH 150Mbps 16-Pin SOIC N T/R | 买入 | |
|
|
ADUM161N0BRZ-RL7 | Analog Devices | Digital Isolators | Digital Isolator CMOS 6-CH 150Mbps 16-Pin SOIC N T/R | 买入 | |
|
|
ADUM161N0BRZ | Analog Devices | Digital Isolators | Digital Isolator 6-CH 150Mbps 16-Pin SOIC N Tube | 买入 | |
|
|
ADUM252N1BRIZ | Analog Devices | Digital Isolators | Digital Isolator CMOS 5-CH 150Mbps 16-Pin SOIC W Tube | 买入 | |
|
|
ADUM252N0BRIZ-RL | Analog Devices | Digital Isolators | Digital Isolator CMOS 5-CH 150Mbps 16-Pin SOIC W T/R | 买入 | |
|
|
ADUM260N0BRIZ-RL | Analog Devices | Digital Isolators | Digital Isolator CMOS 6-CH 150Mbps 16-Pin SOIC W T/R | 买入 | |
|
|
ADUM261N1BRIZ-RL | Analog Devices | Digital Isolators | Digital Isolator CMOS 6-CH 150Mbps 16-Pin SOIC W T/R | 买入 | |
|
|
ADUM150N1BRZ-RL7 | Analog Devices | Digital Isolators | Digital Isolator CMOS 5-CH 150Mbps 16-Pin SOIC N T/R | 买入 | |
|
|
ADUM160N1BRZ | Analog Devices | Digital Isolators | Digital Isolator 6-CH 150Mbps 16-Pin SOIC N Tube | 买入 | |
|
|
ADUM263N0BRIZ | Analog Devices | Digital Isolators | Digital Isolator CMOS 6-CH 150Mbps 16-Pin SOIC W Tube | 买入 | |
|
|
ADUM150N1BRZ | Analog Devices | Digital Isolators | Digital Isolator CMOS 5-CH 150Mbps 16-Pin SOIC N Tube | 买入 | |