Enhancing the performance of Pedometers Using a Single Accelerometer based on ADuC7020 ARM7 MCU
使用 Analog Devices 的 ADuC7020BCP 的参考设计
Image
1 / 2
依据最终产品
- Factory Automation
- Industrial Control
- Instrumentation and Measurement
- Optical Networking
- Smart Sensor
- Wireless Base Station
说明
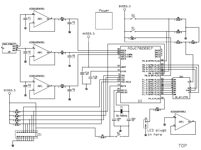
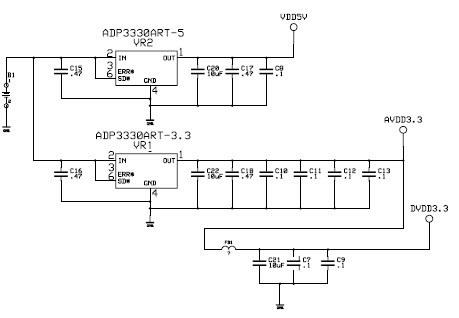
- Enhancing the Performance of Pedometers Using a Single Accelerometer based on ADuC7020 ARM7 MCU. This Circuit examined the use of an accelerometer to make a simple but relatively accurate pedometer. However, newer devices have been introduced that allow the use of accelerometers in more cost-sensitive applications
主要特色
-
Embedded System TypeMCU
-
Family NameADuC7xxx
-
Core ProcessorARM7
Featured Parts (10)
| 零件编号 | 供应商 | 类别 | 说明 | |||
|---|---|---|---|---|---|---|
|
|
AD8609ARUZ-REEL | Analog Devices | Operational Amplifiers - Op Amps | Op Amp Quad Low Noise Amplifier R-R I/O ±2.5V/5V 14-Pin TSSOP T/R | 买入 | |
|
|
AD8609ARUZ | Analog Devices | Operational Amplifiers - Op Amps | Op Amp Quad Low Noise Amplifier R-R I/O ±2.5V/5V 14-Pin TSSOP Tube | 买入 | |
|
|
ADP3330ART-3.3 | Analog Devices | Linear Regulators | LDO Regulator Pos 3.3V 0.2A 6-Pin SOT-23 | 买入 | |
|
|
ADP3330ART-3.3-RL | Analog Devices | Linear Regulators | LDO Regulator Pos 3.3V 0.2A 6-Pin SOT-23 T/R | 买入 | |
|
|
ADUC7020BCPZ62 | ARM7® MicroConverter® IC | Analog Devices | Microcontrollers - MCUs | MCU 16-bit/32-bit ARM7TDMI RISC 62KB Flash 3.3V 40-Pin LFCSP EP Tray | 买入 | |
|
|
ADUC7020BCPZ62IRL7 | ARM7® MicroConverter® IC | Analog Devices | Microcontrollers - MCUs | MCU 16-bit/32-bit ARM7TDMI RISC 62KB Flash 3.3V 40-Pin LFCSP EP T/R | 买入 | |
|
|
ADUC7020BCPZ62I | ARM7® MicroConverter® IC | Analog Devices | Microcontrollers - MCUs | MCU 16-bit/32-bit ARM7TDMI RISC 62KB Flash 3.3V 40-Pin LFCSP EP Tray | 买入 | |
|
|
ADUC7020BCPZ62RL7 | ARM7® MicroConverter® IC | Analog Devices | Microcontrollers - MCUs | MCU 16-bit/32-bit ARM7TDMI RISC 62KB Flash 3.3V 40-Pin LFCSP EP T/R | 买入 | |
|
|
ADUC7020BCPZ62-RL | Analog Devices | Microcontrollers - MCUs | MCU 16-bit/32-bit ARM7TDMI RISC 62KB Flash 3.3V 40-Pin LFCSP EP T/R | 买入 | |
|
|
ADUC7020BCPZ62IRL | ARM7® MicroConverter® IC | Analog Devices | Microcontrollers - MCUs | MCU 16-bit/32-bit ARM7TDMI RISC 62KB Flash 3.3V 40-Pin LFCSP EP T/R | 买入 | |