过滤器
| 说明 | 依据发布人 | 依据应用 | 依据最终产品 | |||
|---|---|---|---|---|---|---|
RE46C105_Typical ApplicationTypical Application for RE46C105 Piezoelectric Horn Driver with Voltage Regulator and LED Driver |
Microchip Technology | Power Supplies | Smoke Detector, CO2 Sensor, Handheld Instruments, Digital Security Controls, Portable Gaming Devices | |||
ADM8843_Typical ApplicationDriving Three White LEDs Typical Application for ADM8843 White LED Backlight Driver |
Analog Devices | Lighting | Cellular Phone, Personal Digital Assistant, LCD TFT Display, Flash Camera, Emergency Strobe, Movie Lights, Digital Security Controls, WLED Backlighting | |||
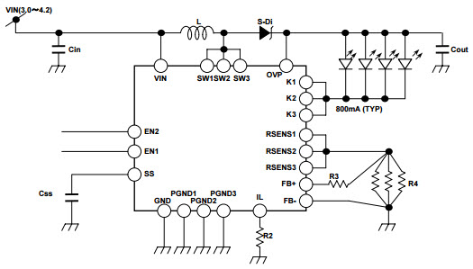
ADM8843_Typical ApplicationDriving Four White LEDs Typical Application for ADM8843 White LED Backlight Driver |
Analog Devices | Lighting | Cellular Phone, Personal Digital Assistant, LCD TFT Display, Flash Camera, Emergency Strobe, Movie Lights, Digital Security Controls, WLED Backlighting | |||
ADM8843_Typical Application |
Analog Devices | Lighting | Cellular Phone, Personal Digital Assistant, LCD TFT Display, Flash Camera, Emergency Strobe, Movie Lights, Digital Security Controls, WLED Backlighting | |||
RE46C119_Typical Application |
Microchip Technology | Power Supplies | Smoke Detector, CO2 Sensor, Handheld Instruments, Digital Security Controls, Portable Gaming Devices | |||
MIC5304_Typical ApplicationTypical Application for MIC5304: Single 150mA Low Operating Current LDO with Dual Voltage Pin Select |
Microchip Technology | Power Supplies | Personal Digital Assistant, Portable Media Player, Portable Consumer Electronics, Video Camera, Level Setting, Digital Security Controls, Digital Still Camera (DSC), Mobile Phone | |||
TB62750FTG_Typical ApplicationTypical Application for TB62750FTG Step-Up type DC/DC Converter for White LED |
Toshiba | Power Supplies | Cellular Phone, Personal Digital Assistant, Flash Camera, Digital Security Controls | |||
TB62730WLG_Typical ApplicationTypical Application for TB62730WLG Step-Up type DC/DC Converter for White LED |
Toshiba | Power Supplies | Cellular Phone, Personal Digital Assistant, Flash Camera, Digital Security Controls | |||