过滤器
| 说明 | 依据发布人 | 依据应用 | 依据最终产品 | |||
|---|---|---|---|---|---|---|
SP-HNZY-FLBCA2HNZYZ-711 - Bluetooth Low Energy Module Application Circuit |
Murata Manufacturing | Wireless Communication | Wireless Battery Charger | |||
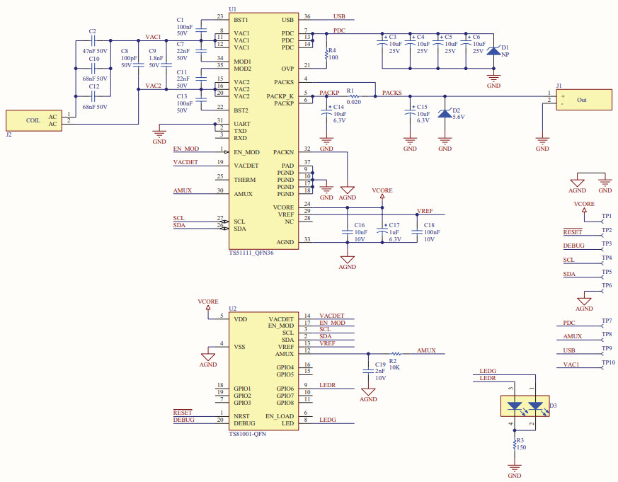
TS80002_Typical ApplicationTypical Application for TS80002 High Efficiency Transmitter Controller for Wireless Power Systems |
Semtech | Wireless Communication | Gaming and Toys, Portable Medical Devices, Portable Lighting, Wearable Electronics, Smart Watch, Wireless Battery Charger | |||
TS51111 EVM |
Semtech | Wireless Communication | Cellular Phone, Laptop, Smart Phone, Digital Camera, Digital Video Recorder, Tablet, E-Reader, Wireless Battery Charger | |||
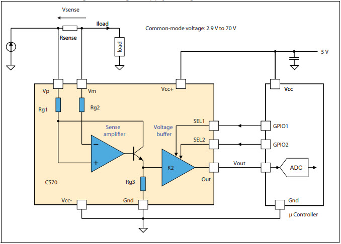
CS70P_Typical ApplicationTypical Application for CS70P Single-Supply High Side Current Sensing Op-Amp |
STMicroelectronics | Amplifiers and Comparators | Wearable Electronics, Wireless Battery Charger | |||
CS70P_Typical ApplicationTypical Application for CS70P Dual-Supply High Side Current Sensing Op-Amp |
STMicroelectronics | Amplifiers and Comparators | Wearable Electronics, Wireless Battery Charger | |||
STEVAL-ISB027V1STEVAL-ISB027V1, Qi A11 Wireless Charger Transmitter Evaluation Board based on STWBC |
STMicroelectronics | Battery Management | Wireless Battery Charger | |||
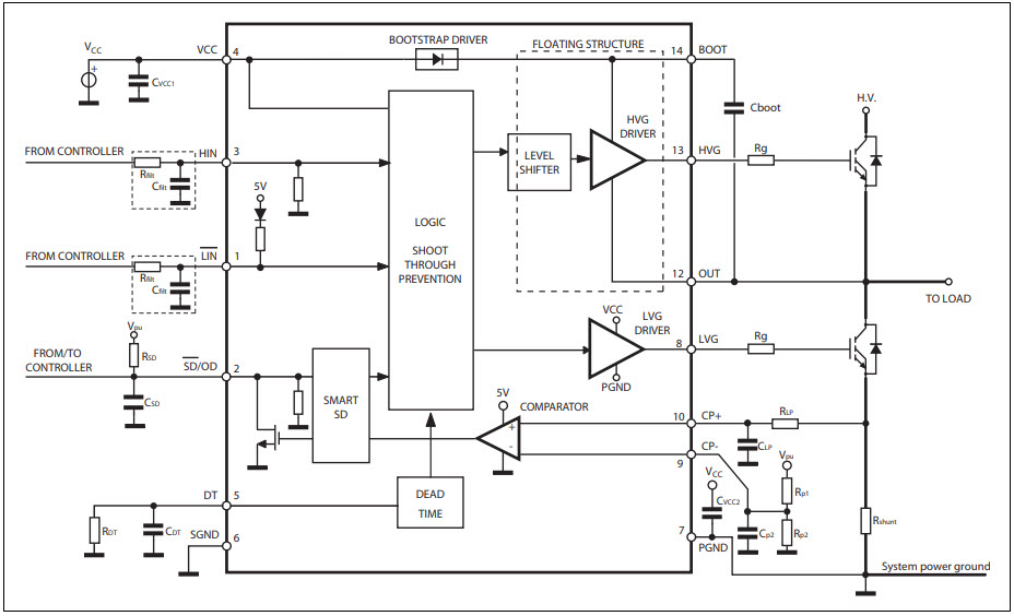
L6491_Typical ApplicationTypical Application for L6491 High voltage high and low-side 4 A gate driver |
STMicroelectronics | Power Drivers | Industrial Inverter, Induction Heating, HID Lamp Ballast, Power Supply, UPS System, Motor Driver, Wireless Battery Charger | |||