过滤器
| 说明 | 依据发布人 | 依据应用 | 依据最终产品 | |||
|---|---|---|---|---|---|---|
AL8812_Typical ApplicationTypical Application for AL8812 Boost-Buck DC/DC Converter for Dimmable MR16 LED Lamps |
Diodes Incorporated | Lighting | DC to DC Converter, MR16 Lamps | |||
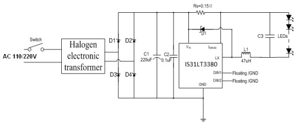
IS31LT3380_Typical ApplicationTypical Application for IS31LT3380 40V/1.2A LED Driver With Switch Dimming |
Integrated Silicon Solution Inc | Lighting | LED Lighting, LED Bulb, MR16 Lamps, Street LED Lighting | |||
IS31LT3380_Typical ApplicationTypical Application for IS31LT3380 40V/1.2A LED Driver With Switch Dimming |
Integrated Silicon Solution Inc | Lighting | LED Lighting, LED Bulb, MR16 Lamps, Street LED Lighting | |||