过滤器
| 说明 | 依据发布人 | 依据应用 | 依据最终产品 | |||
|---|---|---|---|---|---|---|
MAX11616EVSYS+MAX11616EVSYS+, Evaluation System for the MAX11616 12-Channel, I2C, 12-Bit, Low-Power ADC |
Analog Devices | Data Conversion | Portable, System Monitoring and Control, Battery-Powered Test Equipment, Solar-Powered Remote Systems, Medical Instruments | |||
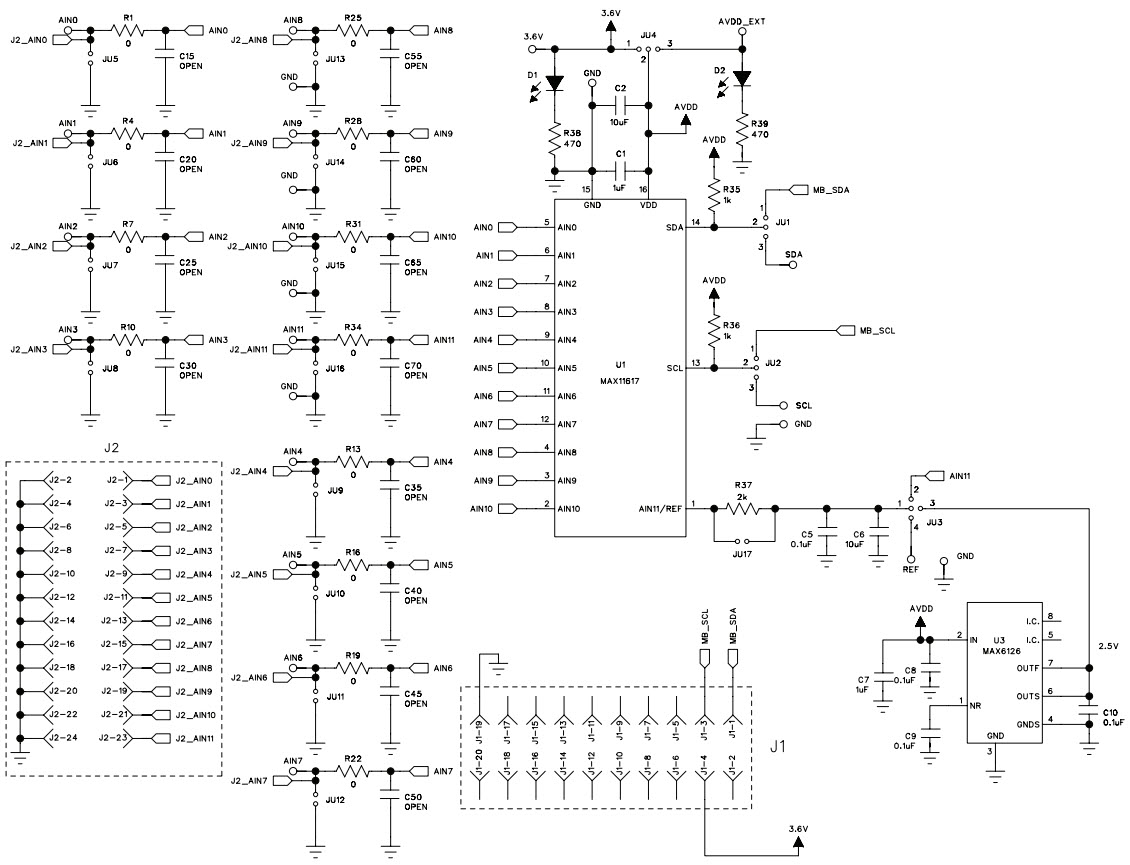
MAX11617EVSYS+MAX11617EVSYS+, Evaluation System for the MAX11617 12-Channel, I2C, 12-Bit, Low-Power ADC |
Analog Devices | Data Conversion | Portable, System Monitoring and Control, Battery-Powered Test Equipment, Solar-Powered Remote Systems, Medical Instruments | |||
MAX11615EVSYS+MAX11615EVSYS+, Evaluation System for the MAX11615 8-Channel, I2C, 12-Bit, Low-Power ADC |
Analog Devices | Data Conversion | Portable, System Monitoring and Control, Battery-Powered Test Equipment, Solar-Powered Remote Systems, Medical Instruments | |||
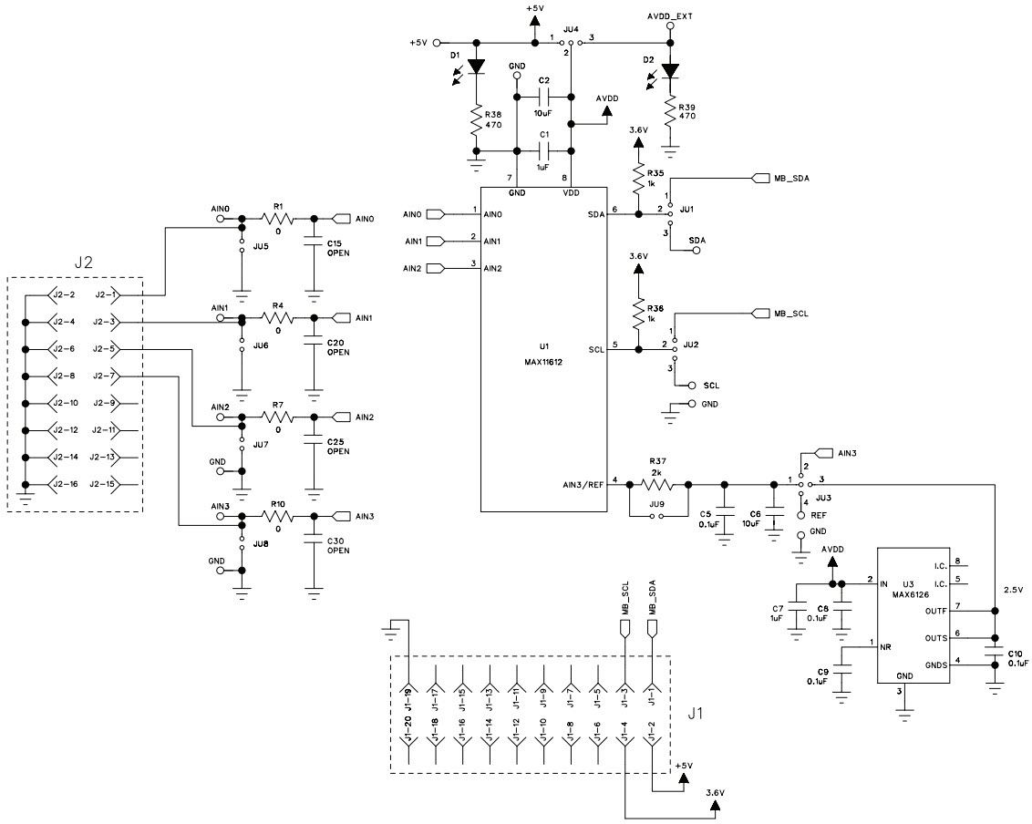
MAX11612EVSYS+MAX11612EVSYS+, Evaluation System for the MAX11612 4-Channel, I2C, 12-Bit, Low-Power ADC |
Analog Devices | Data Conversion | Portable, System Monitoring and Control, Battery-Powered Test Equipment, Solar-Powered Remote Systems, Medical Instruments | |||