DragonBoard 410c, Development Board based on Qualcomm Snapdragon 410E Processor and features Advanced Processing Power, Wi-Fi, Bluetooth Connectivity and GPS
使用 Arrow Development Tools 的 APQ8016 的参考设计
Image
1 / 35
依据最终产品
- Digital Signage
- Game Console
- IoT Applications
- Portable Medical Devices
- Robotics
- Smart Building
- Smart Cameras
- Vending Machine
说明
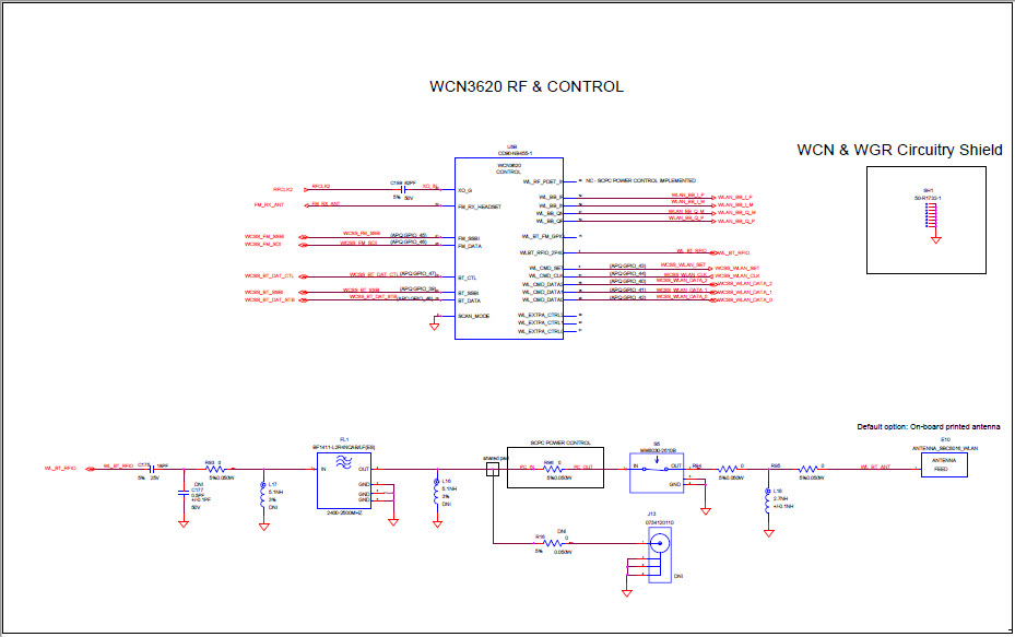
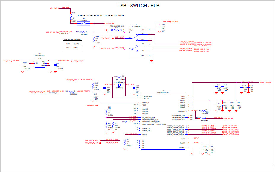
- DragonBoard 410c, Development Board based on 96Boards specification and features the Qualcomm Snapdragon 410 processor, a Quad-core ARM-Cortex A53 at up to 1.2 GHz clock speed per core, capable of 32-bit and 64-bit operation. 96Boards is a 32-bit and 64-bit ARM Open Platform hosted by Linaro with the intension to serve the software/maker and embedded OEM communities. The DragonBoard 410c supports Android 5.1, Linux based on Debian and Win10 IoT Core advanced processing power, WLAN, Bluetooth and GPS, all packed into a board the size of a credit card. It is designed to support feature-rich functionality, including multimedia, with the Qualcomm Adreno 306 GPU, integrated ISP with up to 13 MP camera support, and 1080p HD video playback and capture with H.264 (AVC)
Featured Parts (6)
| 零件编号 | 供应商 | 类别 | 说明 | |||
|---|---|---|---|---|---|---|
|
|
TPS79333DBVR | Texas Instruments | Linear Regulators | LDO Regulator Pos 3.3V 0.2A 5-Pin SOT-23 T/R | 买入 | |
| SAFFB1G58FA0F0AR15 | Murata Manufacturing | SAW Filters | SAW Filter RF 1602MHz 3dB 100Ohm SMD 5 Pin T/R | 买入 | ||
|
|
USB2513B-AEZC-TR | Microchip Technology | USB Interface ICs | Low Speed/Full Speed/High Speed Hub Controller USB 2.0 3.3V T/R 36-Pin VQFN EP | 买入 | |
|
|
APQ-8016E-1-760NSP-TR-01-0 | QUALCOMM | Application Processors and SOCs | SOC 410E ARM Cortex A53 760-Pin NSP | 买入 | |
|
|
APQ8016E1760NSPMT010 | QUALCOMM | Application Processors and SOCs | SOC 410E ARM Cortex A53 760-Pin NSP | 买入 | |
|
|
APQ8016E -1-760NSP | QUALCOMM | Application Processors and SOCs | SOC 410E ARM Cortex A53 760-Pin NSP | 买入 | |