DM163011, PICDEM CAN-LIN 2 Demonstration Board based on CAN and LIN Transceiver
使用 Microchip Technology 的 PIC18F4680-E/P 的参考设计
Image
1 / 8
依据最终产品
- Automotive and Transportation
- Industrial
说明
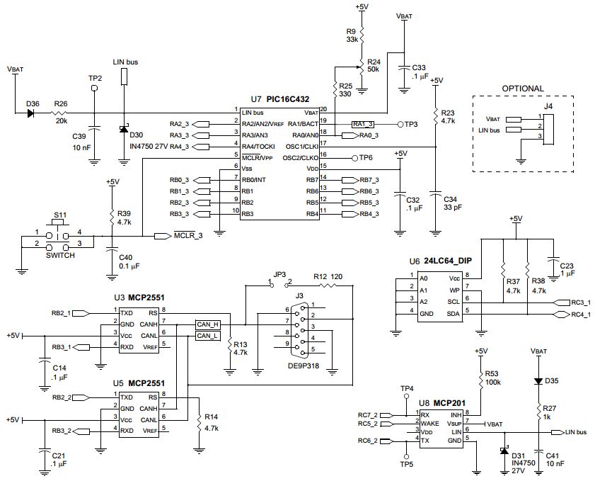
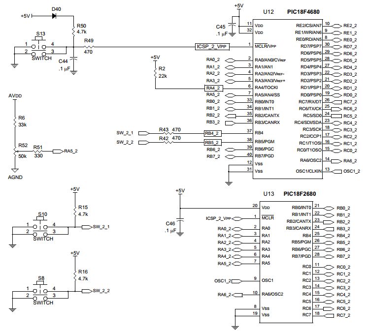
- DM163011, PICDEM CAN-LIN 2 Demonstration Board demonstrates the main features of the PIC18F258 and PIC18F458, including those features of the integrated CAN module. In addition to the CAN network, the board employs a LIN sub-network using Microchip PIC16C43X device family
主要特色
-
Embedded System TypeMCU
-
Family NamePIC18
-
Core ProcessorPIC
-
PlatformPICDEM 2
Featured Parts (4)
| 零件编号 | 供应商 | 类别 | 说明 | |||
|---|---|---|---|---|---|---|
|
|
24LC64-E/P | Microchip Technology | EEPROM | EEPROM Serial-I2C 64K-bit 8K x 8 3.3V/5V Automotive AEC-Q100 8-Pin PDIP Tube | 买入 | |
|
|
PIC18F2680-E/SP | Microchip Technology | Microcontrollers - MCUs | MCU 8-bit PIC RISC 64KB Flash 5V 28-Pin SPDIP Tube | 买入 | |
|
|
PIC18F2680-E/SO | Microchip Technology | Microcontrollers - MCUs | MCU 8-bit PIC RISC 64KB Flash 5V 28-Pin SOIC W Tube | 买入 | |
|
|
PIC18F4680-E/P | Microchip Technology | Microcontrollers - MCUs | MCU 8-bit PIC RISC 64KB Flash 5V 40-Pin PDIP Tube | 买入 | |