DK-LM3S9D96-FPGA, Stellaris FPGA Expansion Board for Evaluating the Stellaris LM3S9D96 ARM Cortex-M3-based Microcontroller
使用 Texas Instruments 的 LM3S9D96-IQC80 的参考设计
Image
1 / 11
依据最终产品
- Factory Automation
- Fire Alarm
- Gaming Device
- Lighting control systems
- Motion Control
- Networking
- Point-of-sale Terminals
- Portable Medical Instrumentation
- Security
- System Monitoring and Control
- Test and Measurement
说明
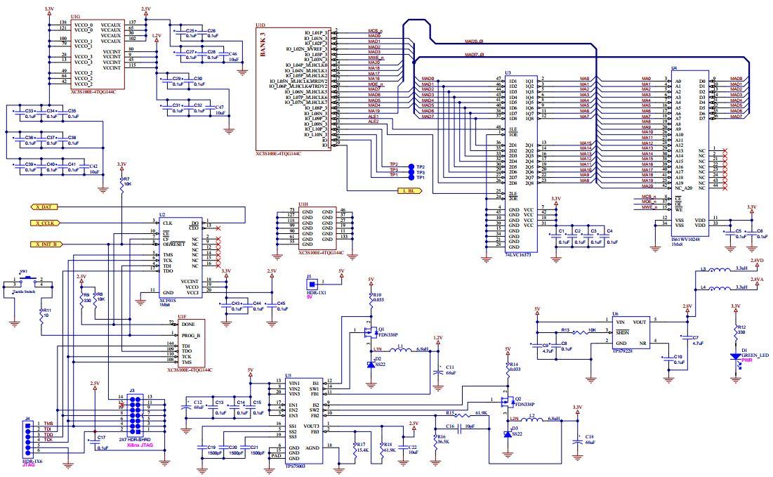
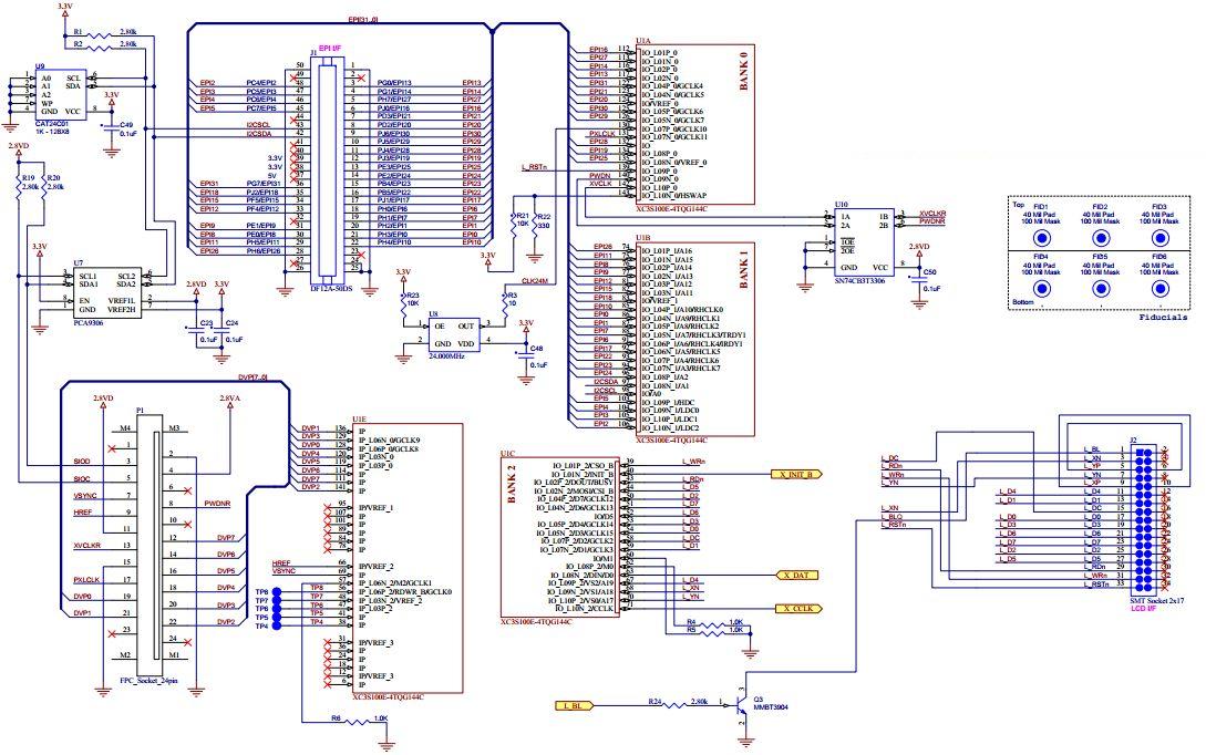
- DK-LM3S9D96-FPGA, Stellaris FPGA Expansion Board. The Stellaris FPGA Expansion Board (DK-LM3S9D96-FPGA) is an optional expansion board which connects directly to the External Peripheral Interface (EPI) port of the Stellaris DK-LM3S9D96 development board to demonstrate the machine-to-machine (M2M), high-bandwidth, parallel interface capability of the Stellaris microcontroller. Right out of the box, users are able to control and display the FPGA expansion board's camera-captured video on the DK-LM3S9D96 development board's large, 3.5-inch touchscreen display
主要特色
-
Embedded System TypeMCU
-
Family NameStellaris
-
Core ProcessorARM Cortex-M3
Featured Parts (53)
| 零件编号 | 供应商 | 类别 | 说明 | |||
|---|---|---|---|---|---|---|
|
|
TPS2051BDBVR | Texas Instruments | USB Power Switches | Power Switch Hi Side 1-OUT 0A 95mOhm 5-Pin SOT-23 T/R | 买入 | |
|
|
LM4040B30IDBZR | Texas Instruments | Voltage References | V-Ref Precision 3V 15mA 3-Pin SOT-23 T/R | 买入 | |
|
|
SN74LVC125ARGYR | Texas Instruments | Buffers and Line Drivers | Buffer/Line Driver 4-CH Non-Inverting 3-ST CMOS 14-Pin VQFN EP T/R | 买入 | |
|
|
SN74LVC125AQPWRQ1 | Texas Instruments | Buffers and Line Drivers | Buffer/Line Driver 4-CH Non-Inverting 3-ST CMOS 14-Pin TSSOP T/R Automotive AEC-Q100 | 买入 | |
|
|
SN74LVC125APWT | Texas Instruments | Buffers and Line Drivers | Buffer/Line Driver 4-CH Non-Inverting 3-ST CMOS 14-Pin TSSOP T/R | 买入 | |
|
|
SN74LVC125ADE4 | Texas Instruments | Buffers and Line Drivers | Buffer/Line Driver 4-CH Non-Inverting 3-ST CMOS 14-Pin SOIC Tube | 买入 | |
|
|
SN74LVC125ADBRG4 | Texas Instruments | Buffers and Line Drivers | Buffer/Line Driver 4-CH Non-Inverting 3-ST CMOS 14-Pin SSOP T/R | 买入 | |
|
|
PCA9306DCUR-777372404 | Texas Instruments | Level Translators | Voltage Level Translator 2-CH Bidirectional 8-Pin VSSOP T/R | 买入 | |
|
|
SN74CB3T3306DCTR | Texas Instruments | Bus Switches | Bus Switch 2-Element CMOS 2-IN 8-Pin SSOP T/R | 买入 | |
|
|
TPS75003RHLT | Texas Instruments | PMIC Solutions | Power Management IC 2.2V to 6.5V 20-Pin VQFN EP T/R | 买入 | |
|
|
TPS79228DBVTG4 | Texas Instruments | Linear Regulators | LDO Regulator Pos 2.8V 0.1A 5-Pin SOT-23 T/R | 买入 | |
|
|
FT2232D-R | Future Technology Devices International Limited | USB Interface ICs | Full Speed USB to UART/FIFO USB 2.0 5V T/R 48-Pin LQFP | 买入 | |