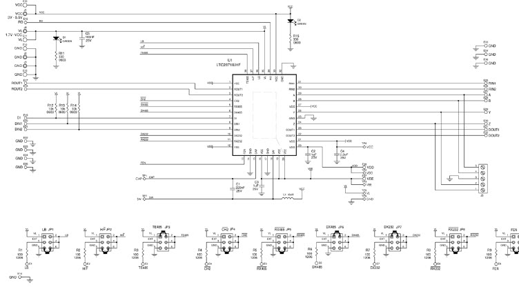
DC1786A, Demo Board Using for LTC2871 RS232/RS485 Multiprotocol Transceiver with Integrated Termination

使用 Analog Devices 的 LTC2871IUHF#PBF 的参考设计

供应商

Analog Devices
  • 应用类别
    界面
  • 产品类别
    RS-485接口

依据最终产品

  • Point-of-sale Terminals
  • Wireless Repeater

说明

  • DC1786A, Demonstration Circuit showcases the LTC2871 RS232/RS485 multiprotocol transceiver with integrated termination. Separate supply inputs power the interface and logic sections, permitting operation of the logic control and I/O down to 1.7V. LEDs indicate when supplies are present

主要特色

  • Interface Standards
    RS-232|RS-485
  • Supply Voltage
    Single(3 to 5.5) V
  • Functions
    Line Transceiver

请仔细阅读我们近期更改的隐私政策。当按下确认键时,您已了解并同意艾睿电子的隐私政策和用户协议。

本网站需使用cookies以改善用户您的体验并进一步改进我们的网站。此处阅读了解关于网站cookies的使用以及如何禁用cookies。网页cookies和追踪功能或許用于市场分析。当您按下同意按钮,您已经了解并同意在您的设备上接受cookies,并给予网站追踪权限。更多关于如何取消网站cookies及追踪的信息,请点击下方“阅读更多”。尽管同意启用cookies追踪与否取决用户意愿,取消网页cookies及追踪可能导致网站运作或显示异常,亦或导致相关推荐广告减少。

我们尊重您的隐私。请在此阅读我们的隐私政策。