CY8CKIT-046, PSoC 4 L-Series Pioneer Kit based on CY8C4248BZI-L489 MCU
使用 Infineon Technologies AG 的 CY8C5868LTI-LP039 的参考设计
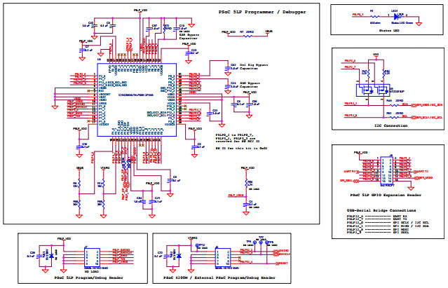
Image
1 / 9
依据最终产品
- Embedded Electronics
- Networking
- Portable Instrumentation
- Power Management
- Sensors
- Signal Processing
说明
- CY8CKIT-046, PSoC 4 L-Series Pioneer Kit enables customers to evaluate and develops using the PSoC 4200L device, a member of the PSoC 4 L-Series family. The PSoC 4 L-Series family is an expansion to the PSoC 4 device family that offers more flash, GPIOs, programmable analog, digital, and communication blocks. PSoC 4200L device is a programmable embedded system-on chip, integrating custom analog and digital peripheral functions, memory and an ARM Cortex-M0 microcontroller on a single chip. The programmable analog and digital peripheral functions allow higher flexibility, in-field tuning of the design, and faster time-to-market. In addition to offering the standard programmable analog, digital and communications blocks present in the PSoC 4 device family, the PSoC 4 L-Series family adds USB Full-Speed interface to the PSoC 4 family
主要特色
-
Embedded System TypeMCU
-
Family NamePSoC 4
-
Core ProcessorARM Cortex-M0
-
PlatformPSoC 4 L-Series Pioneer Kit
Featured Parts (187)
| 零件编号 | 供应商 | 类别 | 说明 | |||
|---|---|---|---|---|---|---|
|
|
FM24V10-G | Infineon Technologies AG | FRAM | FRAM 1Mbit Serial-I2C Interface 3.3V 8-Pin SOIC N Tube | 买入 | |
|
|
S25FL512SAGBHVB10 | Infineon Technologies AG | Flash | NOR Flash Serial (SPI, Dual SPI, Quad SPI) 3V/3.3V 512M-bit 512M/256M/128M x 1/2-bit/4-bit 14.5ns 24-Pin BGA Tray | 买入 | |
|
|
S25FL512SAGMFV010 | Infineon Technologies AG | Flash | NOR Flash Serial (SPI, Dual SPI, Quad SPI) 3V/3.3V 512M-bit 512M/256M/128M x 1/2-bit/4-bit 14.5ns 16-Pin SOIC W Tray | 买入 | |
|
|
S25FL512SAGMFVR11 | Infineon Technologies AG | Flash | NOR Flash Serial (SPI, Dual SPI, Quad SPI) 3V/3.3V 512M-bit 512M/256M/128M x 1/2-bit/4-bit 14.5ns 16-Pin SOIC W Tube | 买入 | |
|
|
S25FL512SAGBHVA13 | Infineon Technologies AG | Flash | NOR Flash Serial (SPI, Dual SPI, Quad SPI) 3V/3.3V 512M-bit 512M/256M/128M x 1/2-bit/4-bit 14.5ns 24-Pin BGA T/R | 买入 | |
|
|
S25FL512SDPMFIG10 | Infineon Technologies AG | Flash | NOR Flash Serial (SPI, Dual SPI, Quad SPI) 3V/3.3V 512M-bit 512M/256M/128M x 1/2-bit/4-bit 14.5ns 16-Pin SOIC W Tray | 买入 | |
|
|
S25FL512SAGMFIR13 | Infineon Technologies AG | Flash | NOR Flash Serial (SPI, Dual SPI, Quad SPI) 3.3V 512M-bit 512M/256M/128M x 1/2-bit/4-bit 14.5ns 16-Pin SOIC W T/R | 买入 | |
|
|
S25FL512SAGBHI313 | Infineon Technologies AG | Flash | NOR Flash Serial (SPI, Dual SPI, Quad SPI) 3V/3.3V 512M-bit 512M/256M/128M x 1/2-bit/4-bit 14.5ns 24-Pin BGA T/R | 买入 | |
|
|
S25FL512SDPMFI011 | Infineon Technologies AG | Flash | NOR Flash Serial (SPI, Dual SPI, Quad SPI) 3V/3.3V 512M-bit 512M/256M/128M x 1/2-bit/4-bit 14.5ns 16-Pin SOIC W Tube | 买入 | |
|
|
S25FL512SAGMFIG11 | Infineon Technologies AG | Flash | NOR Flash Serial (SPI, Dual SPI, Quad SPI) 3V/3.3V 512M-bit 512M/256M/128M x 1/2-bit/4-bit 14.5ns 16-Pin SOIC W Tube | 买入 | |
|
|
S25FL512SAGMFVG10 | Infineon Technologies AG | Flash | NOR Flash Serial (SPI, Dual SPI, Quad SPI) 3V/3.3V 512M-bit 512M/256M/128M x 1/2-bit/4-bit 14.5ns 16-Pin SOIC W Tray | 买入 | |
|
|
S25FL512SDPBHVC10 | Infineon Technologies AG | Flash | NOR Flash Serial (SPI, Dual SPI, Quad SPI) 3V/3.3V 512M-bit 512M/256M/128M x 1/2-bit/4-bit 14.5ns 24-Pin BGA Tray | 买入 | |