BQ20Z65EVM, Evaluation Board using BQ20Z65, 0 to 16.4V, 2 to 4-Cell, Lithium-Ion/Lithium-Polymer Battery Cell Fuel Gauging for Instrumentation
使用 Texas Instruments 的 BQ20Z65DBT 的参考设计
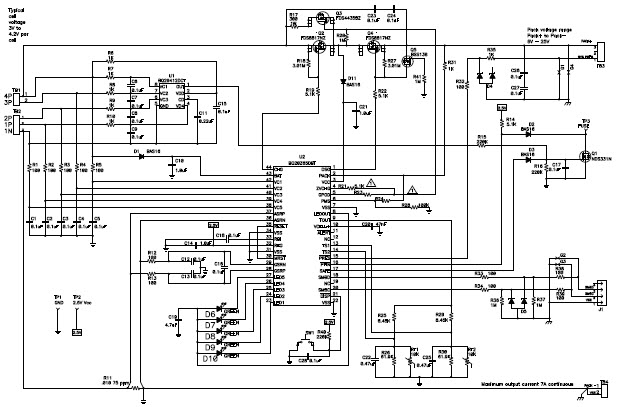
Image
1 / 1
相关文件
依据最终产品
- Instrumentation and Measurement
- Laptop
- Notebook
- Test Equipment
说明
- BQ20Z65EVM, Evaluation Module (EVM) is a complete evaluation system for the BQ20Z65 battery management system. The EVM includes one BQ20Z65 circuit module and a link to Windows-based PC software. The circuit module includes one BQ20Z65 integrated circuit (IC), one bq29412 IC, and all other on-board components necessary to monitor and predict capacity, perform cell balancing, monitor critical parameters, protect the cells from overcharge, over-discharge, short-circuit, and overcurrent in 2-, 3- or 4-series cell Li-ion or Li-polymer battery packs. The circuit module connects directly across the cells in a battery
主要特色
-
Battery TypeLithium-Ion|Lithium-Polymer
-
Input Voltage6 to 25 V
-
Output Voltage0 to 16.4 V
-
Number of Battery Cells2 to 4
Featured Parts (10)
| 零件编号 | 供应商 | 类别 | 说明 | |||
|---|---|---|---|---|---|---|
|
|
BQ29412DCTRG4 | Texas Instruments | Battery Management ICs | Battery Protection Li-Ion 2V 8-Pin SSOP T/R | 买入 | |
|
|
BQ29412DCTT | Texas Instruments | Battery Management ICs | Battery Protection Li-Ion 2V 8-Pin SSOP T/R | 买入 | |
|
|
BQ29412DCTTG4 | Texas Instruments | Battery Management ICs | Battery Protection Li-Ion 2V 8-Pin SSOP T/R | 买入 | |
|
|
BQ29412DCT3R | Texas Instruments | Battery Management ICs | Battery Protection Li-Ion 2V 8-Pin SSOP T/R | 买入 | |
|
|
BQ29412DCT3RE6 | Texas Instruments | Battery Management ICs | Battery Protection Li-Ion 2V 8-Pin SSOP T/R | 买入 | |
|
|
BQ29412DCTR | Texas Instruments | Battery Management ICs | Battery Protection Li-Ion 2V 8-Pin SSOP T/R | 买入 | |
|
|
BQ20Z65DBTR-R1 | Texas Instruments | Battery Management ICs | Fuel Gauge Li-Ion/Li-Pol 0V to 25V 44-Pin TSSOP T/R | 买入 | |
|
|
BQ20Z65DBTR | Texas Instruments | Battery Management ICs | Fuel Gauge Li-Ion/Li-Pol 25V 44-Pin TSSOP T/R | 买入 | |
|
|
BQ20Z65DBT-R1 | Texas Instruments | Battery Management ICs | Fuel Gauge Li-Ion/Li-Pol 0V to 25V 44-Pin TSSOP Tube | 买入 | |
|
|
BQ20Z65DBT | Texas Instruments | Battery Management ICs | Fuel Gauge Li-Ion/Li-Pol 25V 44-Pin TSSOP Tube | 买入 | |