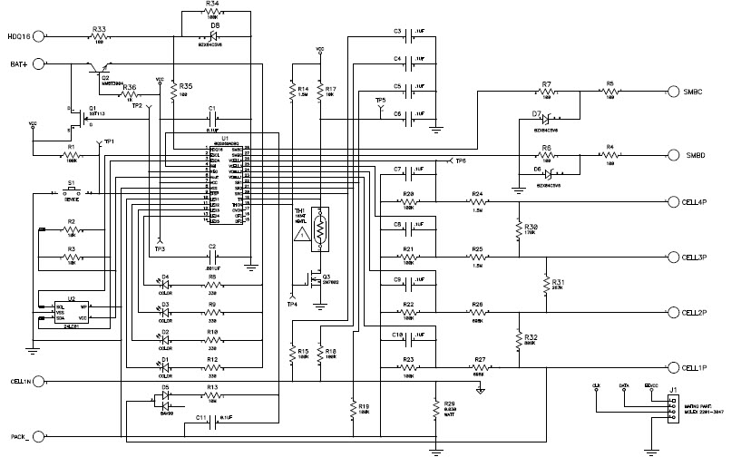
bq2060AEVM-001 is a complete evaluation system for the bq2060A SBS v1.1 Compliant Gas Gauge IC
使用 Texas Instruments 的 BQ2060A-E619DBQ 的参考设计
Image
1 / 1
相关文件
依据最终产品
- Portable
说明
- bq2060AEVM-001 is a complete evaluation system for the bq2060A SBS v1.1 Compliant Gas Gauge IC. The EVM includes one bq2060AEVM-001 circuit module, an EV2200 PC interface board for gas gauge evaluation, a PC serial cable, and Windows based PC software
主要特色
-
Battery TypeLithium-Ion
-
Input Voltage3 to 25 V
-
Number of Battery Cells3|4
Featured Parts (6)
| 零件编号 | 供应商 | 类别 | 说明 | |||
|---|---|---|---|---|---|---|
|
|
EVQ-PLHA15 | Panasonic Industry | Switch Tactile | Switch Tactile N.O. SPST Round Button J-Lead 0.02A 15VDC 1.6N SMD T/R | 买入 | |
|
|
EVQ-PLHA15. | Panasonic Industry | Switch Tactile | Switch Tactile N.O. SPST Round Button J-Lead 0.02A 15VDC 1.6N SMD T/R | 买入 | |
|
|
BQ2060A-E619DBQRG4 | Texas Instruments | Battery Management ICs | Fuel Gauge Lead-Acid/Li-Ion/Li-Pol/NiCd/NiMH 3.3V 28-Pin SSOP T/R | 买入 | |
|
|
BQ2060A-E619DBQG4 | Texas Instruments | Battery Management ICs | Fuel Gauge Lead-Acid/Li-Ion/Li-Pol/NiCd/NiMH 3.3V 28-Pin SSOP Tube | 买入 | |
|
|
BQ2060A-E619DBQR | Texas Instruments | Battery Management ICs | Fuel Gauge Lead-Acid/Li-Ion/Li-Pol/NiCd/NiMH 3.3V 28-Pin SSOP T/R | 买入 | |
|
|
BQ2060A-E619DBQ | Texas Instruments | Battery Management ICs | Fuel Gauge Lead-Acid/Li-Ion/Li-Pol/NiCd/NiMH 3.3V 28-Pin SSOP Tube | 买入 | |