ATEVK1105-Mfi, Evaluation kit and Audio Reference Design based on 32-bit AVR MCU in Hi-Fi Audio Decoding and Streaming Applications
使用 Microchip Technology 的 AT32UC3A0512 的参考设计
Image
1 / 12
相关文件
依据最终产品
- Audio
- Automotive and Transportation
- Car Radio
- Computers and Peripherals
- Fire Alarm
- Home Appliances
- Home Entertainment
- Induction Cooking
- Industrial Automation HMI
- Industrial Programmable Logic Controllers (PLCs)
- Metering
- Refrigerator and freezer
- Security
- Washing Machine
说明
- ATEVK1105-Mfi, Evaluation kit (Audio Reference Design) demonstrates 32-bit AVR microcontroller in Hi-Fi audio decoding and streaming applications. The kit contains reference hardware and software for generic MP3 player docking stations
主要特色
-
Embedded System TypeMCU
-
Family NameAT32
-
Core ProcessorAVR
Featured Parts (16)
| 零件编号 | 供应商 | 类别 | 说明 | |||
|---|---|---|---|---|---|---|
|
|
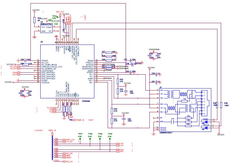
DP83848IVVX/NOPB | Texas Instruments | PHY | PHY 1-CH 10Mbps/100Mbps 3.3V 48-Pin LQFP T/R Automotive AEC-Q100 | 买入 | |
|
|
DP83848IVVX /NOPB | Texas Instruments | PHY | PHY 1-CH 10Mbps/100Mbps 3.3V 48-Pin LQFP T/R Automotive AEC-Q100 | 买入 | |
|
|
DP83848IVV/NOPB | Texas Instruments | PHY | PHY 1-CH 10Mbps/100Mbps 3.3V Automotive AEC-Q100 48-Pin LQFP Tray | 买入 | |
|
|
TPA6130A2RTJTG4 | Texas Instruments | Audio Amplifiers | Audio Amp Headphone/Speaker 1-CH Mono/2-CH Stereo 0.29W Class-AB 20-Pin WQFN EP T/R | 买入 | |
|
|
AT32UC3B1256-AUT | Microchip Technology | Microcontrollers - MCUs | MCU 32-bit AVR RISC 256KB Flash 1.8V/2.5V/3.3V 48-Pin TQFP Tray | 买入 | |
|
|
TLV320AIC23PWG4 | Texas Instruments | Audio CODECs | General Purpose Audio Codec 2ADC / 2DAC Ch 28-Pin TSSOP Tube | 买入 | |
|
|
TLV320AIC23BRHDG4 | Texas Instruments | Audio CODECs | General Purpose Audio Codec 2ADC / 2DAC Ch 28-Pin VQFN EP Tube | 买入 | |
|
|
TPS61020DRCRG4 | Texas Instruments | DC to DC Converter and Switching Regulator Chip | Conv DC-DC 0.9V to 6.5V Synchronous Step Up Single-Out 1.8V to 5.5V 1.2A 10-Pin VSON EP T/R | 买入 | |
|
|
TPS2021D | Texas Instruments | USB Power Switches | USB Power Switch Single 5.5V 0.9A 8-Pin SOIC Tube | 买入 | |
|
|
TPS62040DRCR | Texas Instruments | DC to DC Converter and Switching Regulator Chip | Conv DC-DC 2.5V to 6V Synchronous Step Down Single-Out 0.7V to 6V 1.2A 10-Pin VSON EP T/R | 买入 | |
|
|
DP83848IVV/NOPB | Texas Instruments | PHY | PHY 1-CH 10Mbps/100Mbps 3.3V Automotive AEC-Q100 48-Pin LQFP Tray | 买入 | |
|
|
TLV320AIC23BRHDRG4 | Texas Instruments | Audio CODECs | General Purpose Audio Codec 2ADC / 2DAC Ch 28-Pin VQFN EP T/R | 买入 | |