过滤器
| 说明 | 依据发布人 | 依据应用 | 依据最终产品 | |||
|---|---|---|---|---|---|---|
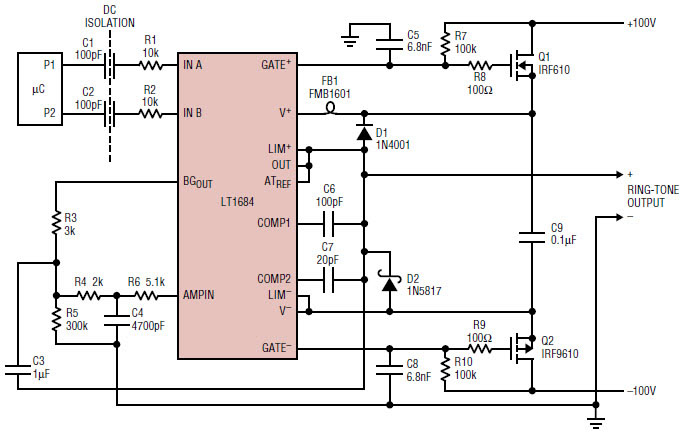
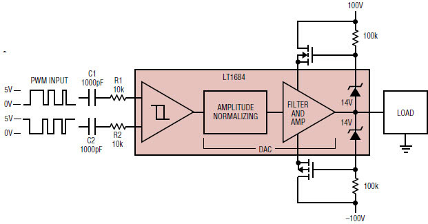
LT1684_Typical ApplicationTypical Application Circuit for LT1684 Solves the Global Ringing Problem Reference Design |
Analog Devices | Wired Communication | VoIP Telephone, Digital PBX Phone, Fiber Optic Serial Communications Interface | |||
LT1684_Typical ApplicationTypical Application Circuit for LT1684 Solves the Global Ringing Problem Reference Design |
Analog Devices | Wired Communication | VoIP Telephone, Digital PBX Phone, Fiber Optic Serial Communications Interface | |||
AN1904 |
Analog Devices | Wired Communication | Modems | |||
U-169 |
Texas Instruments | Wired Communication | Communications and Telecom, UPS Power Supply, Audio Amplifier | |||
U-169 |
Texas Instruments | Wired Communication | Communications and Telecom, UPS Power Supply, Audio Amplifier | |||
U-169 |
Texas Instruments | Wired Communication | Communications and Telecom, UPS Power Supply, Audio Amplifier | |||