过滤器
| 说明 | 依据发布人 | 依据应用 | 依据最终产品 | |||
|---|---|---|---|---|---|---|
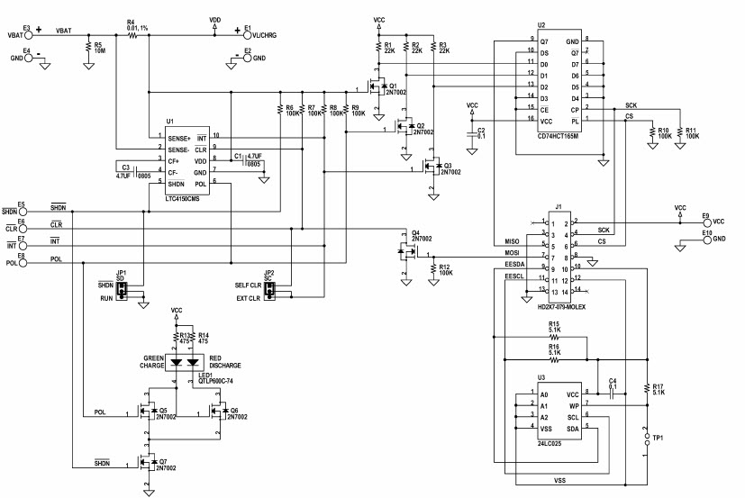
LTC2941_Typical ApplicationTypical Application for LTC2941 - Battery Gas Gauge with I2C Interface |
Analog Devices | Battery Management | Cellular Phone, MP3 Player, GPS , Handheld Electronics, Digital Still Camera (DSC) | |||
DC756A |
Analog Devices | Battery Management | Cellular Phone, Personal Digital Assistant, Portable Computers, Wireless Modem | |||
DC756A |
Analog Devices | Battery Management | Cellular Phone, Personal Digital Assistant, Portable Computers, Wireless Modem | |||
DS2777EVKIT+ |
Analog Devices | Battery Management | Notebook, Laptop, Digital Camera, Portable Medical Devices, Military and Aerospace | |||
DS2776EVKIT+ |
Analog Devices | Battery Management | Notebook, Laptop, Digital Camera, Portable Medical Devices, Military and Aerospace | |||
DS2775EVKIT+ |
Analog Devices | Battery Management | Notebook, Laptop, Digital Camera, Portable Medical Devices, Military and Aerospace | |||
MAX17311XEVKIT# |
Analog Devices | Battery Management | Laptop, Smart Phone, Digital Still Camera, Video Camera, Tablet, Medical Devices, Smart Batteries, Home Automation, Two-Way Radio, Wearable Electronics, Handheld Electronics, Building Automation, Smart Watch, Action Cameras, Healthcare Monitoring | |||
MAX17302GEVKIT# |
Analog Devices | Battery Management | Laptop, Smart Phone, Digital Still Camera, Video Camera, Tablet, Medical Devices, Smart Batteries, Home Automation, Two-Way Radio, Wearable Electronics, Handheld Electronics, Building Automation, Smart Watch, Action Cameras, Healthcare Monitoring | |||
MAX17215XEVKIT# |
Analog Devices | Battery Management | Smart Phone, Digital Still Camera, Video Camera, Tablet, E-Reader, Two-Way Radio, Medical Equipments, Handheld Electronics, Portable Gaming Devices | |||
MAX17301GEVKIT# |
Analog Devices | Battery Management | Laptop, Smart Phone, Digital Still Camera, Video Camera, Tablet, Medical Devices, Smart Batteries, Home Automation, Two-Way Radio, Wearable Electronics, Handheld Electronics, Building Automation, Smart Watch, Action Cameras, Healthcare Monitoring | |||
MAX17211XEVKIT# |
Analog Devices | Battery Management | Smart Phone, Digital Still Camera, Video Camera, Tablet, E-Reader, Two-Way Radio, Medical Equipments, Handheld Electronics, Portable Gaming Devices | |||
MAX17201XEVKIT# |
Analog Devices | Battery Management | Smart Phone, Digital Still Camera, Video Camera, Tablet, E-Reader, Two-Way Radio, Medical Equipments, Handheld Electronics, Portable Gaming Devices | |||
MAX17205XEVKIT# |
Analog Devices | Battery Management | Smart Phone, Digital Still Camera, Video Camera, Tablet, E-Reader, Two-Way Radio, Medical Equipments, Handheld Electronics, Portable Gaming Devices | |||
MAX17211GEVKIT# |
Analog Devices | Battery Management | Smart Phone, Digital Still Camera, Video Camera, Tablet, E-Reader, Two-Way Radio, Medical Equipments, Handheld Electronics, Portable Gaming Devices | |||
MAX17215GEVKIT# |
Analog Devices | Battery Management | Smart Phone, Digital Still Camera, Video Camera, Tablet, E-Reader, Two-Way Radio, Medical Equipments, Handheld Electronics, Portable Gaming Devices | |||
MAX17201GEVKIT# |
Analog Devices | Battery Management | Smart Phone, Digital Still Camera, Video Camera, Tablet, E-Reader, Two-Way Radio, Medical Equipments, Handheld Electronics, Portable Gaming Devices | |||
MAX17205GEVKIT# |
Analog Devices | Battery Management | Smart Phone, Digital Still Camera, Video Camera, Tablet, E-Reader, Two-Way Radio, Medical Equipments, Handheld Electronics, Portable Gaming Devices | |||
MAX17303XEVKIT#MAX17303XEVKIT#, Evaluation Kit for the MAX17303X 1-Cell Model Gauge m5 EZ Fuel Gauge with Protector |
Analog Devices | Battery Management | Laptop, Smart Phone, Digital Still Camera, Video Camera, Tablet, Medical Devices, Smart Batteries, Home Automation, Two-Way Radio, Wearable Electronics, Handheld Electronics, Building Automation, Smart Watch, Action Cameras, Healthcare Monitoring | |||
MAX17313GEVKIT#MAX17313GEVKIT#, Evaluation Kit for the MAX17313G 1-Cell Model Gauge m5 EZ Fuel Gauge with Protector |
Analog Devices | Battery Management | Laptop, Smart Phone, Digital Still Camera, Video Camera, Tablet, Medical Devices, Smart Batteries, Home Automation, Two-Way Radio, Wearable Electronics, Handheld Electronics, Building Automation, Smart Watch, Action Cameras, Healthcare Monitoring | |||
MAX17313XEVKIT#MAX17313XEVKIT#, Evaluation Kit for the MAX17313X 1-Cell Model Gauge m5 EZ Fuel Gauge with Protector |
Analog Devices | Battery Management | Laptop, Smart Phone, Digital Still Camera, Video Camera, Tablet, Medical Devices, Smart Batteries, Home Automation, Two-Way Radio, Wearable Electronics, Handheld Electronics, Building Automation, Smart Watch, Action Cameras, Healthcare Monitoring | |||