AN-2034, Evaluation board for LM3445 -120VAC, 8W Isolated Flyback LED Driver
使用 Texas Instruments 的 LM3445MM 的参考设计
Image
1 / 1
相关文件
依据最终产品
- Industrial LED Lighting
- Residential Lighting
- Solid state lighting
说明
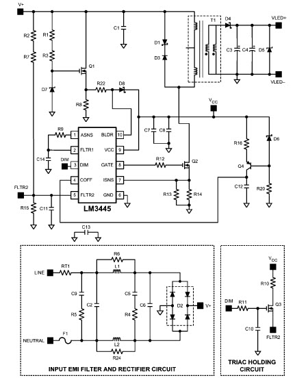
- Evaluation Board, high lights the performance of a LM3445 based Flyback LED driver solution that can be used to power a single LED string consisting of 4 to 8 series connected LEDs from an 90 VRMS to 135 VRMS, 60 Hz input power supply
主要特色
-
Input Voltage90 to 135 (AC) V
-
Output Voltage13 to 27 V
-
Output Current0.365 A
-
Output Power7.3 W
-
Number of Derived Elements4 to 8
Featured Parts (4)
| 零件编号 | 供应商 | 类别 | 说明 | |||
|---|---|---|---|---|---|---|
|
|
LM3445MMX/NOPB | Texas Instruments | LED Drivers | LED Driver 2850uA Supply Current 10-Pin VSSOP T/R | 买入 | |
|
|
LM3445MM/NOPB | Texas Instruments | LED Drivers | LED Driver 2850uA Supply Current 10-Pin VSSOP T/R | 买入 | |
|
|
LM3445MMX/NOPB | Texas Instruments | LED Drivers | LED Driver 2850uA Supply Current 10-Pin VSSOP T/R | 买入 | |
|
|
LM3445MM/NOPB | Texas Instruments | LED Drivers | LED Driver 2850uA Supply Current 10-Pin VSSOP T/R | 买入 | |