AD9517-4A/PCBZ, Evaluation Board for AD9517-4A, 1600 MHz Very Low Noise PLL Clock Synthesizer
使用 Analog Devices 的 AD9517-4ABCPZ 的参考设计
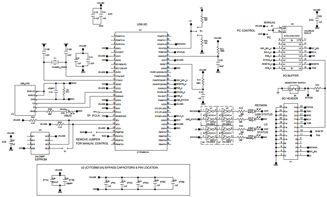
Image
1 / 4
依据最终产品
- Clock and Timing Devices
- Clock Management and Distribution
- DSL Line Card
- Networking
- Test and Measurement
- Wireless Base Station
说明
- AD9517-4A/PCBZ, Evaluation Board for AD9517-4A, 1600 MHz very low noise PLL clock synthesizer featuring an integrated VCO, clock divider. The AD9517 features automatic holdover and a flexible reference input circuit allowing for very smooth reference clock switching. The AD9517 family also features the necessary provisions for an external VCXO. The AD9517 evaluation board is a compact, easy-to-use platform for evaluating all features of the AD9517. The AD9516, AD9517, and AD9518 differ only in package size and the number of outputs
主要特色
-
Output Frequency1600 MHz
Featured Parts (6)
| 零件编号 | 供应商 | 类别 | 说明 | |||
|---|---|---|---|---|---|---|
|
|
24LC00-I/P | Microchip Technology | EEPROM | EEPROM Serial-I2C 128-bit 16 x 8 3.3V/5V 8-Pin PDIP Tube | 买入 | |
|
|
SN74LVC541APWR | Texas Instruments | Buffers and Line Drivers | Buffer/Line Driver 8-CH Non-Inverting 3-ST CMOS 20-Pin TSSOP T/R | 买入 | |
|
|
SN74LVC2G14DCKR | Texas Instruments | Inverters and Schmitt Triggers | Inverter Schmitt Trigger 2-Element CMOS 6-Pin SC-70 T/R | 买入 | |
|
|
ECS-240-12-5PX-TR | ECS, Inc. International | Crystals | Crystal 24MHz ±30ppm (Tol) ±50ppm (Stability) 12pF FUND 30Ohm 2-Pin SMD T/R | 买入 | |
|
|
AD9517-4ABCPZ-RL7 | Analog Devices | Clock Generators and Synthesizers | Clock Generator 0MHz to 250MHz-IN 2950MHz-OUT 48-Pin LFCSP EP T/R | 买入 | |
|
|
AD9517-4ABCPZ | Analog Devices | Clock Generators and Synthesizers | Clock Generator 0MHz to 2.4GHz-IN 2950MHz-OUT 48-Pin LFCSP EP Tray | 买入 | |