7 to 80V Analog Amplifier for Telecom Infrastructure
使用 Analog Devices 的 LTC4151CDD-1 的参考设计
Image
1 / 1
依据最终产品
- Automotive and Transportation
- Consumer Electronics
- Industrial
- Telecom Infrastructure
说明
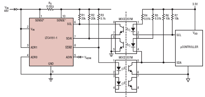
- LTC4151-1 makes it easy to implement opto-isolation
主要特色
-
Number of SuppliesSingle
-
Supply Voltage7 to 80 V
Featured Parts (6)
| 零件编号 | 供应商 | 类别 | 说明 | |||
|---|---|---|---|---|---|---|
|
|
MOCD207VM | onsemi | Transistor and Photovoltaic Output Photocouplers | Optocoupler DC-IN 2-CH Transistor DC-OUT 8-Pin SOIC Tube | 买入 | |
|
|
MOCD207R2VM | onsemi | Transistor and Photovoltaic Output Photocouplers | Optocoupler DC-IN 2-CH Transistor DC-OUT 8-Pin SOIC T/R | 买入 | |
|
|
MOCD207R2M | onsemi | Transistor and Photovoltaic Output Photocouplers | Optocoupler DC-IN 2-CH Transistor DC-OUT 8-Pin SOIC T/R | 买入 | |
|
|
MOCD207M | onsemi | Transistor and Photovoltaic Output Photocouplers | Optocoupler DC-IN 2-CH Transistor DC-OUT 8-Pin SOIC Tube | 买入 | |
|
|
LTC4151CDD-1#TRPBF | Analog Devices | Special Purpose Amplifiers | SP Amp Current Sense Amp Single 80V 10-Pin DFN EP T/R | 买入 | |
|
|
LTC4151CDD-1#PBF | Analog Devices | Special Purpose Amplifiers | SP Amp Current Sense Amp Single 80V 10-Pin DFN EP Tube | 买入 | |