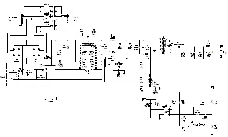
5V DC to DC Single Output Power Supply for PoE Security Camera
使用 Texas Instruments 的 TPS23750PWP 的参考设计
Image
1 / 1
依据最终产品
- Badge Reader
- PoE Security Camera
- Power Over Ethernet
说明
- Automatic Power Selector PD Design Using a Relay, Power Is Inserted at PD Controller Input
主要特色
-
Conversion TypeDC to DC
-
Output Voltage5 V
Featured Parts (5)
| 零件编号 | 供应商 | 类别 | 说明 | |||
|---|---|---|---|---|---|---|
|
|
TCMT1107 | Vishay | Transistor and Photovoltaic Output Photocouplers | Optocoupler DC-IN 1-CH Transistor DC-OUT 4-Pin SSOP T/R | 买入 | |
|
|
TLV431ACDBVR | Texas Instruments | Voltage References | V-Ref Adjustable 1.24V to 6V 15mA 5-Pin SOT-23 T/R | 买入 | |
|
|
TPS23750PWPR | Texas Instruments | Power Over Ethernet - PoE Controllers | Power Over Ethernet PD Controller 0V 67V 20-Pin HTSSOP EP | 买入 | |
|
|
TPS23750PWP | Texas Instruments | Power Over Ethernet - PoE Controllers | Power Over Ethernet PD Controller 0V 67V 20-Pin HTSSOP EP | 买入 | |
|
|
TPS23750PWPRG4 | Texas Instruments | Power Over Ethernet - PoE Controllers | Power Over Ethernet PD Controller 0V 67V 20-Pin HTSSOP EP | 买入 | |