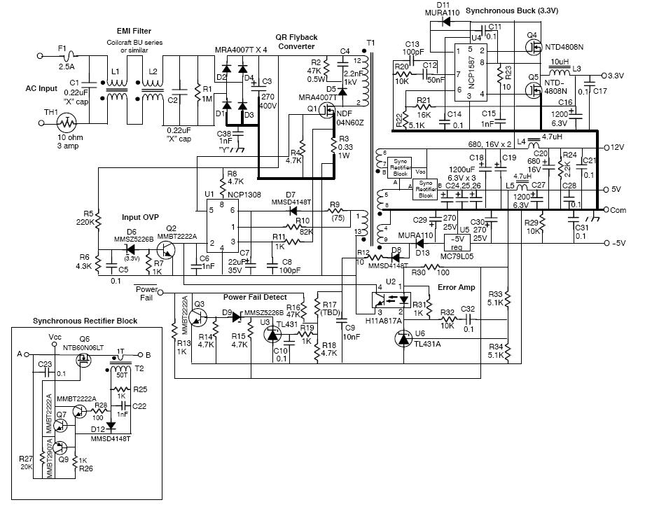
40W, -5V, 3.3V, 5V, 12V AC to DC Multi-Output Power Supply for Set-Top Box
使用 onsemi 的 NCP1587ADR2G 的参考设计
Image
1 / 1
相关文件
- MRA4007T3 PSPICE
- MMSD4148T1 SPICE3
- MMSZ5226B SPICE
- MRA4007T3 SPICE3
- MURA110T3 PSPICE
- MMSD4148T1 PSPICE
- MMSD4148T1 SABER
- MRA4007T3 SPICE2
- MURA110T3 SPICE3
- MURA110T3 SPICE2
- MMSZ5226B SPICE3
- NDF04N60Z PSPICE
- MMSD4148T1 SPICE2
- NDF04N60Z SPICE2
- NDF04N60Z SABER
- MURA110T3 SABER
- TL431 PSPICE
- MRA4007T3 SABER
- NDF04N60Z SPICE3
依据最终产品
- Set-Top Box
说明
- Four Output Internal Power Supply for Set Top Box Providing Up to 50W
主要特色
-
Conversion TypeAC to DC
-
Input Voltage90 to 135 (AC) V
-
Output Voltage-5|3.3|5|12 V
-
Output Current0.058@-5V|1.2@12V|2.2@5V|3.9@3.3V A
-
Output Power40 W
-
Efficiency80 %
-
TopologyFlyback
Featured Parts (6)
| 零件编号 | 供应商 | 类别 | 说明 | |||
|---|---|---|---|---|---|---|
|
|
TL431AILPG | onsemi | Voltage References | V-Ref Adjustable 2.495V to 36V 100mA 3-Pin TO-92 Bag | 买入 | |
|
|
TL431ACDG | onsemi | Voltage References | V-Ref Adjustable 2.495V to 36V 100mA 8-Pin SOIC N Tube | 买入 | |
|
|
TL431ACDR2G | onsemi | Voltage References | V-Ref Adjustable 2.495V to 36V 100mA 8-Pin SOIC N T/R | 买入 | |
|
|
TL431AIDG | onsemi | Voltage References | V-Ref Adjustable 2.495V to 36V 100mA 8-Pin SOIC N Tube | 买入 | |
|
|
TL431ACLPRAG | onsemi | Voltage References | V-Ref Adjustable 2.495V to 36V 100mA 3-Pin TO-92 T/R | 买入 | |
|
|
TL431AIDR2G | onsemi | Voltage References | V-Ref Adjustable 2.495V to 36V 100mA 8-Pin SOIC N T/R | 买入 | |