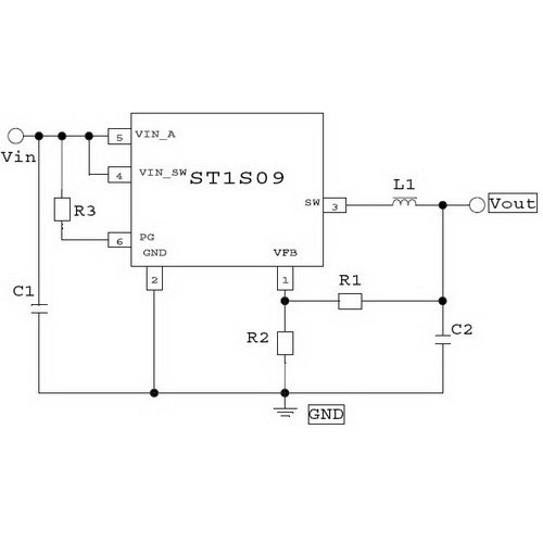
2 A / 3.3 V high-efficiency synchronous buck converter evaluation board based on the ST1S09
使用 STMicroelectronics 的 ST1S09 的参考设计
Image
1 / 2
依据最终产品
- Power Supplies
说明
- 2A/3.3V high-efficiency synchronous buck converter evaluation board based on the ST1S09
主要特色
-
Conversion TypeDC to DC
-
Input Voltage2.7 to 5.5 V
-
Output Voltage3.3 V
-
Output Current2 A
-
TopologyBuck
Featured Parts (2)
| 零件编号 | 供应商 | 类别 | 说明 | |||
|---|---|---|---|---|---|---|
|
|
ST1S09IPUR | STMicroelectronics | DC to DC Converter and Switching Regulator Chip | Conv DC-DC 2.7V to 6V Synchronous Step Down Single-Out 2A 6-Pin DFN EP T/R | 买入 | |
|
|
ST1S09PUR | STMicroelectronics | DC to DC Converter and Switching Regulator Chip | Conv DC-DC 4.5V to 5.5V Synchronous Step Down Single-Out 2A 6-Pin DFN EP T/R | 买入 | |