Arrow Electronic Components Online

Évolution de la sécurité des véhicules avec la fonctionnalité intelligente du port de charge et la surveillance directe du volet

Véhicules électriques (EV)16 avr. 2024
Une vue rapprochée d'une voiture électrique en cours de chargement, avec un logo Melexis visible et le slogan "Innovation with Heart".
Voir tous les articles

La transition vers les véhicules électriques est bien engagée, les fabricants introduisant constamment de nouveaux modèles. Cependant, dans le grand schéma de la mobilité humaine, les véhicules électriques restent une technologie relativement nouvelle. Ils n'ont pas encore eu des décennies pour évoluer et s'améliorer, contrairement à leurs prédécesseurs à combustion interne. La sécurité, notamment autour des batteries haute tension, des chargeurs et des composants associés, est un facteur majeur à prendre en compte. Cet article explore le Melexis MLX81118, un pilote LED IC 24 canaux pour des ports de charge EV fiables, intelligents et performants.   En matière de conception automobile, la sécurité est sans doute le facteur le plus important. Un véhicule peut être esthétiquement plaisant, bien tarifé ou très performant, mais s'il n'est pas sûr ou fiable, il n'a pas sa place sur le marché et représente un danger pour les consommateurs. Les dispositifs de sécurité tels que les airbags et les ceintures de sécurité, qui interagissent directement avec les passagers, sont cruciaux pour la sécurité des véhicules. Cependant, les systèmes de sécurité des véhicules évoluent continuellement pour répondre aux besoins changeants de l'industrie, allant au-delà des mesures directes et apparentes. Des composants comme les écrans d'instruments et les jauges jouent également un rôle essentiel dans la sécurité des véhicules, en fournissant des informations essentielles sur l'état du véhicule et en détectant tout problème potentiel.   La transition vers les véhicules électriques (EV) dans toute l'industrie a entraîné une refonte importante des sources de carburant des véhicules et des mécanismes de transmission. Avec cette refonte, il existe de nouvelles et importantes exigences pour les instruments de bord des véhicules. Ces exigences sont critiques pour garantir la sécurité du conducteur et l'informer de détails essentiels comme la charge de la batterie et l'autonomie restante.   Les fabricants redéfinissent les systèmes véhicules qui sont restés inchangés pendant des années, créant un besoin de solutions nouvelles et innovantes qui peuvent non seulement répondre aux exigences de sécurité mais également offrir des fonctions enrichies capables d'améliorer l'expérience utilisateur. Melexis est à l’avant-garde de cet effort, développant des solutions à la pointe de la technologie qui redéfinissent les systèmes de sécurité des véhicules traditionnels.

Finis le point de remplissage de carburant, place à la prise de recharge

Le point de remplissage du carburant a toujours été un élément essentiel de conception pour les véhicules utilisant des moteurs à combustion interne (ICE). En raison des exigences du réservoir de carburant du véhicule et de la répartition du poids, même l'emplacement du point de remplissage sur le véhicule est resté majoritairement constant.   Les véhicules électriques (VE) présentent des différences significatives en termes de répartition du poids et de contraintes d'aménagement par rapport aux véhicules traditionnels. Un avantage notable est qu'il est relativement plus facile d'avoir une distance plus longue entre le port de charge et le pack de batteries, contrairement au défi d'avoir un long tuyau de carburant reliant une trappe de remplissage de carburant et un réservoir.   Cette avancée permet aux concepteurs de bénéficier d'une flexibilité accrue pour repositionner le point de charge afin d'améliorer l'ergonomie. Un exemple notable est le placement du point de charge à l'avant du véhicule, ce qui correspond commodément à l'emplacement des bornes de recharge pour VE situées à l'avant des places de stationnement.

Répondre aux exigences des derniers designs de ports de chargement

Avec une vaste expérience et une large gamme de produits, Melexis est très apprécié sur le marché des pilotes de LED automobiles, et les ports de charge pour véhicules électriques figurent parmi les applications visées par ses dernières solutions. La fonctionnalité des véhicules électriques repose largement sur les ports de charge. Ces dispositifs sont souvent sollicités et doivent être à la fois fiables dans leur fonctionnement et capables d'indiquer l'état de charge à l'utilisateur. Pour répondre à ces critères, un nombre croissant de fabricants automobiles utilise désormais la technologie LED à proximité des points de charge.   Ces lumières sont utilisées pour afficher l'état de charge et indiquer d'éventuelles erreurs à l'aide d'un éclairage statique ou dynamique basique. En fournissant une indication claire au point de connexion, l'utilisateur final peut facilement vérifier le niveau de charge de la batterie ou identifier d'éventuels risques. L'adoption des groupes motopropulseurs électriques a complexifié la conception des véhicules, nécessitant des fonctionnalités avancées dans les conceptions de ports de charge, telles que la surveillance du clapet et la détection de température des connecteurs haute tension.   Le nouveau MLX81118 de Melexis est un circuit intégré (IC) intelligent de pilote de LED à 24 canaux, conçu pour répondre aux exigences de sécurité fonctionnelle des derniers ports de charge pour véhicules électriques (Figure 2). Il dispose d'une interface réseau de connexion locale (LIN) et est conforme à l'ASIL (ISO 26262), soutenant une intégration système jusqu'à l'ASIL B.

Two small microchips are displayed on a brushed metallic surface.

Figure 2 : Melexis MLX81118 pilote LED IC

Avec son microcontrôleur intelligent (MCU) et sa mémoire flash intégrée, le MLX81118 permet une conception système flexible et des mises à jour pratiques de ses fonctions. La fonction principale du CI est celle de pilote LED, offrant des sources de courant programmables jusqu'à 60mA par canal côté bas (courant LED max 1A) et un PWM 16 bits (500 Hz) pour le contrôle de la luminosité.   Le système prend en charge l'éclairage statique et les animations LED basiques. Chaque LED est entièrement diagnostiquable, et sa température peut être déterminée en mesurant la tension seuil de la LED (Figure 3).

A technical diagram showcasing a LIN-based LED driver system with integrated components.

Figure 3 : Schéma fonctionnel du MLX81118 de Melexis et fonctionnalité alternative des GPIO (Source : Melexis)

Ce qui distingue cette fonctionnalité, c'est la polyvalence du produit. Contrairement aux pilotes LED automobiles typiques pour ports de charge, il offre 24 canaux pour piloter des LED RVB et/ou monochromes. De plus, ces canaux peuvent être configurés comme des canaux d'entrée/sortie polyvalents (GPIO). Avec la fonctionnalité GPIO, vous obtenez une sortie d'alimentation de 5V à 20mA, un support pour la communication SPI/I2C, une capacité de réveil externe, et la possibilité de configurer les GPIO avec le convertisseur analogique-numérique (ADC) intégré.   L'existence de cette installation permet une gamme d'applications plus étendue avec des fonctionnalités améliorées et des capacités de contrôle localisées, dépassant les capacités conventionnelles d'un circuit intégré LED.

Créer des ports de charge plus intelligents

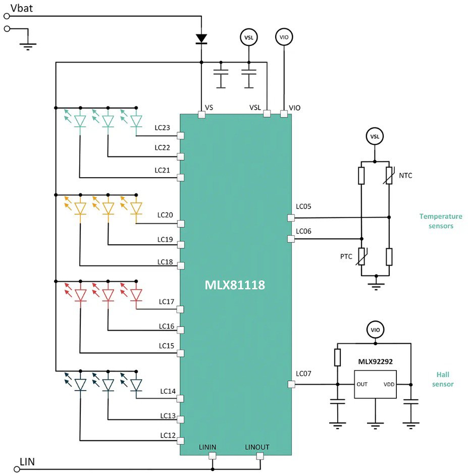
En tirant parti de la flexibilité du MLX81118 de Melexis, les ingénieurs peuvent concevoir des ports de charge plus intelligents au sein d’un véhicule sans une augmentation significative du nombre de composants de la nomenclature (BoM).   Dans une application de point de charge, l’ADC intégré de 10 bits peut être configuré sur les GPIO. Cette configuration peut être utilisée pour mesurer la température des capteurs positionnés à un ou plusieurs des connecteurs haute tension présents dans le port de charge. Lorsqu’il fonctionne dans un environnement de sécurité fonctionnelle, il est d’une importance capitale de surveiller la température des connecteurs de charge. De plus, le pilote IC comprend un capteur de température interne qui complète les mesures externes et fournit des données précises sur la température ambiante du port de charge.   Dans cette configuration, le MLX81118 est capable de surveiller efficacement les informations des capteurs de température externes et de les transmettre en conséquence. Par exemple, en cas d’erreur de surchauffe, la programmation intelligente de l’IC peut être utilisée pour informer le conducteur d’une chaleur excessive dans le port, potentiellement par l’activation de LED rouges clignotantes à proximité. Simultanément, cette information peut être transmise à des composants et contrôleurs plus larges via l’interface LIN ou les canaux GPIO configurés comme interface SPI ou I2C.   Au-delà des fonctionnalités liées à la température, l’adaptabilité du MLX81118 peut aider les ingénieurs à améliorer d’autres aspects de la sécurité des ports de charge ainsi qu’à renforcer l’expérience utilisateur final (Figure 4).

A technical schematic showcasing the MLX81118 integrated circuit connected to various components.

Figure 4 : Exemple de circuit d'éclairage de port de charge Melexis MLX81118 avec capteurs de température et surveillance du clapet (Source : Melexis)

L'intégration d'un interrupteur à effet Hall ou d'un interrupteur inductif est une méthode pratique pour surveiller l'état ouvert ou fermé de la trappe de charge. Les capteurs MLX92292 (interrupteur à effet Hall) ou MLX92442 (interrupteur Induxis®) de Melexis sont des options illustratives. La sortie du circuit intégré du capteur à effet Hall est connectée aux GPIO du MLX81118, permettant au contrôleur de domaine de carrosserie de véhicule (BDC) de surveiller la position de la trappe via l'interface LIN du pilote LED. Cette intégration intelligente peut réduire la quantité de connexions aux BDC du véhicule, tout en permettant l'activation directe des LEDs en fonction des ajustements de la position de la trappe.   L'intégration intelligente et la connexion directe de la position de la trappe et du pilote LED peuvent améliorer l'expérience utilisateur finale. Par exemple, lorsque le MLX92292 détecte un changement dans son état de commutation lorsque la trappe s'ouvre, le MLX81118 peut être configuré pour activer les LEDs autour du port de charge afin de fournir un éclairage dans des conditions sombres. De même, les concepteurs peuvent choisir d'ajouter des fonctionnalités intelligentes, telles que faire clignoter distinctement les LEDs du port si la trappe du port de charge reste ouverte après avoir débranché le chargeur, ce qui réduit les risques de dommages pendant la conduite. Une autre option consiste à indiquer l'état de charge en utilisant différents nombres de LEDs allumées ou en modifiant les couleurs.

Conclusion

Les concepteurs automobiles recherchent constamment des solutions intelligentes capables de prendre des décisions importantes de manière autonome et de gérer des tâches critiques pour la sécurité sans ajouter trop de composants ni de charges de traitement. En utilisant le MLX81118, la logique et le contrôle nécessaires à la mise en œuvre de cette fonctionnalité sont centralisés au niveau des composants du point de charge, ce qui réduit la charge de traitement sur les systèmes de contrôle central ou zonal du véhicule par rapport aux installations traditionnelles.   Les LED sont également devenues un élément crucial dans la conception automobile, permettant aux fabricants de créer des styles visuels uniques pour leurs modèles et de transmettre des informations essentielles au conducteur. Le MLX81118 adopte les dernières tendances en proposant une approche révolutionnaire pour les installations de LED dans les ports de charge des véhicules électriques et au-delà, sa flexibilité offrant également des avantages dans d'autres domaines de la conception de véhicules et sur des marchés adjacents.

Étiquettes d'article

Melexis
Automobile
Véhicules électriques (EV)
Produits

Contenu connexe