Introduction aux chargeurs rapides DC pour véhicules électriques et aux topologies d'alimentation électrique
Malgré les gros titres sur le ralentissement de l'adoption des véhicules électriques, les VE ont dépassé un million de ventes aux États-Unis en 2023. Avec cette augmentation de la propriété des VE, les infrastructures de recharge se développent rapidement pour suivre le rythme.
Il existe trois principales implémentations de chargeurs : L1, L2 et L3. L1 est le plus lent et le moins performant, utilisant une source standard de 120VAC. L2 utilise une source d'alimentation de 240VAC et ajoute de l'énergie six à huit fois plus rapidement que la charge L1. Les deux, L1 et L2, fournissent au véhicule un courant alternatif (et sont techniquement classés comme EVSE—équipement d'alimentation pour véhicules électriques—et non comme chargeurs, à proprement parler), nécessitant que le véhicule effectue une conversion CC en interne pour charger la batterie. Cependant, les chargeurs L3 fournissent directement au véhicule un courant continu, généralement à 400 ou 800 VDC, permettant au véhicule d'ajouter quelques centaines de kilomètres d'autonomie en moins d'une heure. Étant donné ces implémentations largement différentes et les différences plus spécifiques qui existeront entre les applications particulières, les topologies d'électronique interne de charge doivent être prises en compte. Dans cet article, nous décrirons plusieurs topologies AC-DC différentes, ainsi que des topologies DC-DC qui peuvent être utilisées dans des applications de véhicules électriques.
Options de topologies de chargeur de VE AC-DC
| Topologies AC/DC | PFC à 2 niveaux | NPC à 3 niveaux | Vienna à 3 niveaux | TNPC à 3 niveaux | ANPC à 3 niveaux |
|---|---|---|---|---|---|
| Phases d'entrée | 1- & 3-Phase | 1- & 3-Phase | 3-Phase | 3-Phase | 3-Phase |
| Bidirectionnel | Oui | Oui | Non | Oui | Oui |
| Densité de puissance | Basse | Élevée | Modérée | Modérée | Très élevée |
| Efficacité | Basse | Très élevée @ haute fréquence | Élevée | Élevée | Très élevée |
| Pertes de conduction | Basses | Élevées | Élevées | Modérées | Élevées |
| Pertes de commutation | Élevées | Basses | Modérées | Modérées | Basses |
| Contrôle | Facile | Modéré | Modéré | Modéré | Modéré |
| Tension de crête | Élevée | Basse | Basse | Basse | Très basse |
| THD du courant de sortie | Élevée | Très faible | Très faible | Très faible | Très faible |
| Coût | Faible | Élevé | Modéré | Modéré | Très élevé |
| Inductance d'entrée | Grande | Petite | Petite | Petite | Petite |
| # de commutateurs | 4 (1-ph), 6 (3-ph) | 4 (1-ph), 12 (3-ph) | 6 | 12 | 18 |
| # de diodes | 0 | 2 (1-ph), 6 (3-ph) | 6 | 0 | 0 |
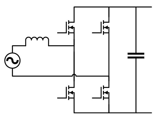
Correcteur de facteur de puissance (PFC) en totem monophasé

PFC totem pole monophasé
La topologie PFC à totem monophasé est une conception relativement simple avec un coût BOM faible. Elle se compose de deux interrupteurs principaux de commande, ainsi que de diodes ou de MOSFETs à faible RDSON pour assurer la redressement. Elle est intrinsèquement capable d'un fonctionnement bidirectionnel (c'est-à-dire, recharge véhicule-réseau, V2G), mais le mode de conduction continue (CCM) n'est réellement pratique que lors de l'utilisation de SiC et de commutation GaN, et non avec des composants Si plus traditionnels. Globalement, cette topologie a tendance à être moins efficace en raison des pertes de commutation élevées, bien que les pertes de conduction soient faibles. L'efficacité peut être améliorée en utilisant quatre pilotes d'étage de puissance entrelacés au lieu de deux, et avec l'utilisation de la commutation SiC et GaN.
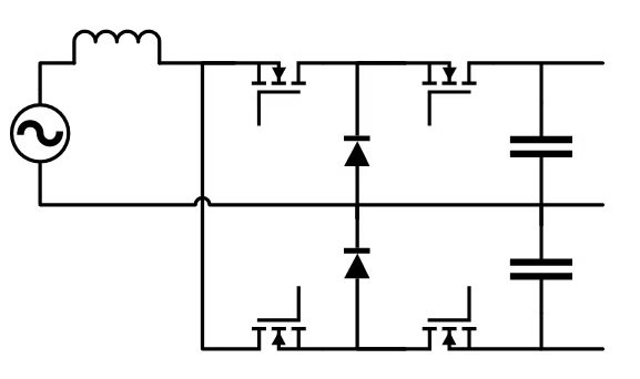
Correction du facteur de puissance à point neutre clampé monophasé (NPC PFC)

PFC NPC monophasé
La topologie NPC monophasée convertit le courant alternatif en tensions continues positives et négatives, avec un point neutre—ou clampé—entre les deux. Cette topologie peut produire une distorsion très faible, avec une tension réduite sur les interrupteurs de puissance, car chaque niveau de tension continue ne traite que la moitié de la plage totale de tension continue (contrairement au fonctionnement des redresseurs de pleine plage). Des interrupteurs MOSFET économiques peuvent donc être utilisés dans cette topologie (au lieu de SiC ou GaN). Cependant, quatre interrupteurs et leurs pilotes associés sont nécessaires, alors que nominalement seulement deux sont requis dans la topologie PFC totem pole monophasée. Le fonctionnement bidirectionnel est possible grâce à son fonctionnement en commutation active. Cette topologie peut être encore améliorée avec des commutations GaN/SiC lorsque des performances extrêmement élevées sont requises.
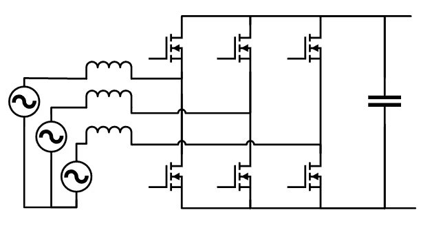
Correction du facteur de puissance (PFC) à deux niveaux triphasés

PFC triphasé à deux niveaux
La topologie PFC à trois phases et deux niveaux est un circuit redresseur de type boost utilisant six interrupteurs. C'est une topologie simple à la fois du point de vue de la nomenclature et du circuit, et elle peut gérer un flux d'énergie bidirectionnel avec une efficacité raisonnable. Bien qu'il s'agisse d'un moyen élégamment simple de mettre en œuvre une conversion d'énergie triphasée bidirectionnelle, cette topologie présente plusieurs inconvénients. Contrairement à certaines autres topologies discutées ici, les interrupteurs doivent être capables de bloquer toute la tension du bus. Par exemple, une sortie de 800VDC nécessiterait des interrupteurs SiC évalués à 1200V ou des dispositifs similaires pour la régulation. Un fonctionnement correct nécessite également un inducteur de filtrage pour réguler le courant d'entrée à de faibles valeurs de distorsion harmonique totale (THD). Les interférences électromagnétiques (EMI) sont élevées par rapport à d'autres topologies PFC, et les contraintes de tension sur toute la gamme auxquelles les composants sont exposés peuvent affecter la fiabilité à long terme.
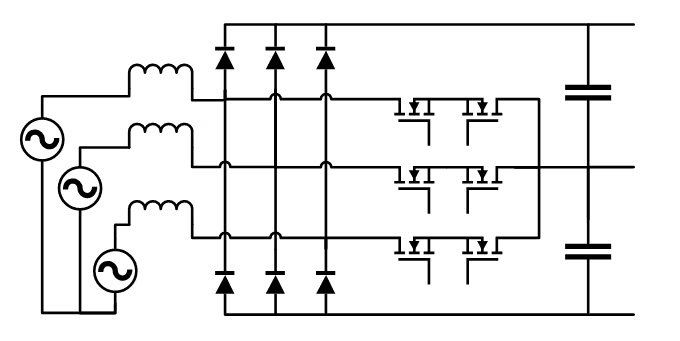
Vienna Rectifier

Vienna Rectifier
Le redresseur de Vienne, breveté en 1993, est adapté aux applications de correction du facteur de puissance triphasée à haute puissance. Il peut fonctionner en mode de conduction continue (CCM) et est relativement simple à contrôler. Cette topologie permet une efficacité supérieure à des fréquences de commutation élevées par rapport aux configurations PFC à deux niveaux, en utilisant des Si MOSFET ou IGBT et des diodes Schottky SiC grâce à sa conception à trois niveaux. La topologie du redresseur de Vienne se distingue par une haute efficacité et un faible THD. Un inconvénient caractéristique du redresseur de Vienne est qu'il ne prend nominalement en charge que la conversion de puissance unidirectionnelle de l'énergie AC du réseau vers des applications DC (par exemple, la recharge des véhicules électriques). Cependant, une puissance bidirectionnelle peut être mise en œuvre en remplaçant les diodes de puissance par des commutateurs actifs.
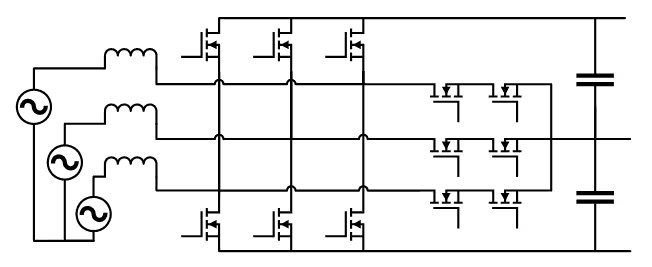
Convertisseur PFC triphasé à point neutre pincé (NPC)
PFC NPC triphasé à trois niveaux
La topologie NPC triphasée, similaire à la topologie NPC monophasée discutée précédemment, étend le concept de commutation à trois phases. Comme pour la version monophasée, chaque pilote n'a besoin de gérer que la moitié de la tension du bus. Cela réduit les pertes de commutation et le stress de tension, et permet d'utiliser des composants de 600V plus économiques par rapport aux types de 1200V. La topologie NPC triphasée peut donc être mise en œuvre avec la technologie Si, SiC ou GaN, selon les besoins. Cette topologie est capable de conversion d'énergie bidirectionnelle et constitue un excellent choix pour des fréquences de commutation supérieures à 50 kHz, grâce à ses faibles pertes de commutation et sa haute efficacité. Neuf pilotes de grille sont nécessaires pour le contrôle NPC triphasé, contre quatre pour la version monophasée, chacun ayant besoin de son propre circuit de commande. Pour une meilleure gestion thermique, les diodes NPC peuvent être remplacées par des interrupteurs actifs, créant ainsi une topologie ANPC (Active Neutral Point Clamped). Chacune de ces topologies NPC est assez complexe, tant du point de vue du BOM que du circuit.
Trois phases, trois niveaux, type T à point neutre clampé (TNPC)

PFC NPC en T à trois niveaux et trois phases
Cette topologie fonctionne de manière similaire à la configuration du circuit PFC à deux niveaux et trois phases décrite précédemment, mais ajoute un interrupteur bidirectionnel actif de chaque ligne CA triphasée au point milieu du lien CC. Ici, les côtés haute tension et basse tension de chaque conversion CA-CC devront encore être commutés dans leur intégralité et nécessiteront donc des interrupteurs capables de cette régulation (par exemple, des IGBT 1200V et des diodes pour une plage de lien CC de 800V). La configuration de commutation bidirectionnelle vers le point milieu du lien CC, cependant, ne doit réguler que la moitié de cette tension et peut donc être mise en œuvre avec des dispositifs de moindre puissance. Dans l'ensemble, les pertes de conversion sont faibles par rapport aux topologies NPC, mais les pertes de commutation globales sont élevées en raison des interrupteurs nécessaires pour bloquer toute la plage de tension. Elle offre une meilleure efficacité par rapport aux topologies NPC, ainsi qu'une disposition quelque peu simplifiée et un nombre de composants réduit. Elle peut être utilisée pour la commutation bidirectionnelle et offre de bonnes performances en termes de THD.
Options de topologie de chargeur CC-CC pour véhicules électriques
En plus de convertir l'énergie CA en CC, la tension CC correcte doit être fournie au véhicule et/ou à la batterie. Plusieurs options sont également disponibles ici.
Topologies d'alimentation des stations de charge EV – AC/DC
| Topologies CC/DC | Convertisseur LLC | Pont Complet à Déphasage | Pont Actif Double (DAB) | DAB en Mode CLLC |
|---|---|---|---|---|
| Bidirectionnel | Non | Non | Oui | Oui |
| Efficacité | Élevée | Basse | Modérée | La plus élevée |
| Perte par Conduction | Élevée | Modérée | La plus basse | Modérée |
| Perte par Commutation | Basse | Élevée | Élevée | Basse |
| Contrôle | Modéré | Simple | Simple | Modéré |
| Fréquence de Commutation | Fixe/Élevée | Élevée | Élevée | Très Élevée |
| Contraintes Maximales des Dispositifs | Élevées | Modérées | Les plus basses | Élevées |
| Évaluation KVA du Transformateur | Élevée | Modérée | Basse | Élevée |
| Courants RMS des Condensateurs d'Entrée & de Sortie | Élevés | Modérés | Bas | Élevés |
| Modules en Parallèle | Difficile | Facile | Facile | Difficile |
| Large Tension de Batterie, Tension de Bus Fixe | Non | Oui (efficacité réduite) | Oui (efficacité réduite) | Limitée |
| Coût | Modéré | Modéré | Élevé | Élevé |
| # d'Interrupteurs | 4 | 4 | 8 | 8 |
| # de Diodes | 4 | 4 | 0 | 0 |
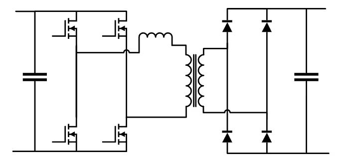
Pont complet à déphasage (PSFB)

Pont complet à décalage de phase (PSFB)
Dans cette topologie, quatre interrupteurs sont mis en œuvre sur le côté primaire d'une configuration en pont de transformateur CC, accompagnés d'une inductance. La puissance CC d'entrée est déphasée via un contrôleur qui détecte la tension et le courant des côtés primaire et secondaire, mais ne commande que les interrupteurs du côté primaire. Le côté secondaire utilise des diodes pour réguler la puissance déphasée en sortie. Cela est utilisé uniquement pour un transfert de puissance unidirectionnel. L'efficacité est généralement faible, avec des pertes de conduction modérées et des pertes de commutation élevées. Le coût de cette topologie est modéré, avec une configuration de contrôle simple, ce qui la rend intéressante dans certains cas.
Convertisseur résonant LLC

Convertisseur résonant LLC
Le convertisseur résonant LLC est similaire à la topologie PSFB, mais ajoute un condensateur du côté primaire. Les interrupteurs actifs du côté primaire régulent la puissance d'entrée. Le système est le plus efficace lorsqu'il fonctionne près de sa fréquence de résonance intrinsèque. Cela permet une mise sous tension en ZVS (Zero Voltage Switching) et une mise hors tension en ZCS (Zero Current Switching). Cette topologie permet uniquement un transfert de puissance unidirectionnel. La disposition du contrôle du point de vue global du circuit est la même que pour une PSFB, mais la mise en œuvre réelle peut être plus difficile, en particulier en fonctionnement parallèle et synchrone, nécessitant souvent une logique de contrôle externe. Les performances EMI sont meilleures que celles des topologies à commutation dure comme la PSFB. L'efficacité globale est élevée, avec de faibles pertes de commutation et des pertes de conduction élevées. Le coût de mise en œuvre est modéré et généralement inférieur à celui d'une configuration de pont actif double.
Pont actif double (DAB)

Pont actif double (DAB)
La conception du convertisseur pont double actif est presque identique à la topologie PSFB décrite ci-dessus. Des interrupteurs actifs sur le primaire permettent le déphasage ; cependant, le secondaire utilise une série de quatre interrupteurs actifs (par exemple, des dispositifs SiC ou GaN) au lieu de diodes pour réguler cette alimentation. Cela permet un transfert d'énergie bidirectionnel, ainsi qu'un contrôle plus précis dans son opération de conversion de puissance du primaire au secondaire. En plus de ses caractéristiques d'utilisation bidirectionnelle, cette configuration de contrôle actif peut offrir une meilleure efficacité globale que les topologies PSFB, avec des pertes de conduction très faibles. Cependant, elle subira toujours des pertes de commutation élevées. Le contrôle, tout en restant simple, est plus complexe que dans la configuration PSFB. Un pilote de grille doit être utilisé à la fois du côté secondaire et du côté primaire du transformateur. Le coût de cette topologie est relativement élevé.
DAB en mode CLLC

DAB en mode CLLC
Cette topologie fonctionne de manière similaire à la configuration de circuit PFC à deux niveaux et trois phases décrite précédemment, mais ajoute un interrupteur bidirectionnel actif entre chaque ligne CA triphasée et le point médian du lien CC. Ici, les côtés haut et bas de chaque conversion CA-CC devront encore être entièrement commutés et nécessiteront donc des interrupteurs capables de gérer cette régulation (par exemple, des IGBTs 1200V et des diodes pour une plage de lien CC de 800V). La configuration de commutation bidirectionnelle vers le point médian du lien CC, cependant, n’est requise que pour réguler la moitié de cette tension et peut donc être réalisée avec des dispositifs de moindre puissance nominale. Dans l’ensemble, les pertes de conversion sont faibles par rapport aux topologies NPC, mais les pertes de commutation globales sont élevées en raison des interrupteurs utilisés pour bloquer la plage de tension complète. Elle offre une meilleure efficacité par rapport aux topologies NPC, avec une disposition quelque peu plus simple et un nombre réduit de composants. Elle peut être utilisée pour la commutation bidirectionnelle et offre de bonnes performances en termes de THD.
Considérations lors du choix d'une topologie de recharge pour véhicules électriques
Lorsque vous envisagez une topologie pour la rectification AC-DC ainsi que pour la conversion DC-DC dans le contexte de la recharge des véhicules électriques (EV), commencez par déterminer si vous travaillerez avec une alimentation AC triphasée ou monophasée, en tenant compte de la topologie sous les angles du temps de charge, de la fiabilité, de la dissipation thermique et de l'espace. Une fois la topologie globale choisie, vous pouvez ensuite vous pencher sur les coûts des composants individuels et des circuits. Envisagez de revenir au niveau de la topologie ou même aux critères de conception de niveau supérieur si nécessaire. La bonne nouvelle est qu'il existe une large gamme de topologies ainsi que des options de composants disponibles pour répondre aux exigences de votre projet. Si vous avez besoin d'un point de départ, eInfochips, une société Arrow, propose un design de référence de 30 kW pouvant être utilisé pour accélérer le processus de conception.
Étiquettes d'article