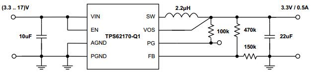
Typical Simplified Schematic Application Circuit for TPS62172-Q1 3.3V/0.5A Power Supply Step-Down Converter

Reference Design using part TPS62172Q by Texas Instruments

Manufacturer

Texas Instruments
  • Application Category
    Power Supplies
  • Product Type
    DC to DC Single Output Power Supplies

For End Products

  • Power Supplies

Description

  • Typical Simplified Schematic Application Circuit for TPS62172-Q1 3.3V/0.5A Power Supply Step-Down Converter

Key Features

  • Conversion Type
    DC to DC
  • Topology
    Buck

We've updated our privacy policy. Please take a moment to review these changes. By clicking I Agree to Arrow Electronics Terms Of Use  and have read and understand the Privacy Policy and Cookie Policy.

Our website places cookies on your device to improve your experience and to improve our site. Read more about the cookies we use and how to disable them here. Cookies and tracking technologies may be used for marketing purposes.
By clicking “Accept”, you are consenting to placement of cookies on your device and to our use of tracking technologies. Click “Read More” below for more information and instructions on how to disable cookies and tracking technologies. While acceptance of cookies and tracking technologies is voluntary, disabling them may result in the website not working properly, and certain advertisements may be less relevant to you.
We respect your privacy. Read our privacy policy here