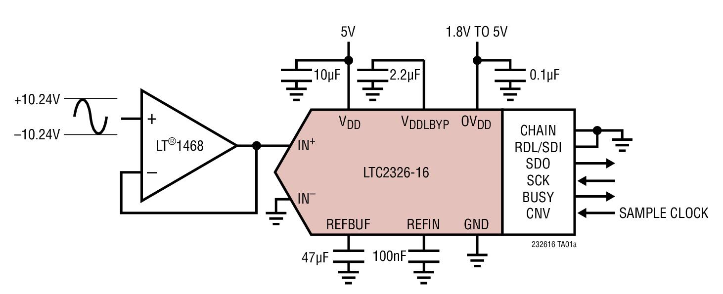
Typical Application for LTC2326-16, 16-Bit, 250-ksps, 10.24V True Bipolar, Pseudo-Differential Input ADC with 93.5dB SNR

Reference Design using part LTC2326-16 by Analog Devices

Manufacturer

Analog Devices
  • Application Category
    Data Conversion
  • Product Type
    Analog to Digital Conversion

For End Products

  • Data Acquisition System
  • Industrial Programmable Logic Controllers (PLCs)
  • Portable Instrumentation
  • Process Control

Description

  • Typical Application for LTC2326-16, 16-Bit, 250-ksps, 10.24V True Bipolar, Pseudo-Differential Input ADC. The LTC2326-16 is a low noise, high speed 16-bit successive approximation register (SAR) ADC with pseudo differential inputs. Operating from a single 5V supply, the LTC2326-16 has a 10.24V true bipolar input range, making it ideal for high voltage applications which require a wide dynamic range

Key Features

  • ADC Resolution
    16 Bit
  • ADC Sampling Rate
    250K SPS

We've updated our privacy policy. Please take a moment to review these changes. By clicking I Agree to Arrow Electronics Terms Of Use  and have read and understand the Privacy Policy and Cookie Policy.

Our website places cookies on your device to improve your experience and to improve our site. Read more about the cookies we use and how to disable them here. Cookies and tracking technologies may be used for marketing purposes.
By clicking “Accept”, you are consenting to placement of cookies on your device and to our use of tracking technologies. Click “Read More” below for more information and instructions on how to disable cookies and tracking technologies. While acceptance of cookies and tracking technologies is voluntary, disabling them may result in the website not working properly, and certain advertisements may be less relevant to you.
We respect your privacy. Read our privacy policy here