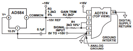
Typical Application for AD584 pin programmable precision Voltage Reference as -10 V Reference for CMOS ADC
Reference Design using part AD584 by Analog Devices
For End Products
- Low-Power Applications
Description
- Typical Application for AD584 pin programmable precision Voltage Reference as -10 V Reference for CMOS ADC. The AD584 is an 8-terminal precision voltage reference offering pin programmable selection of four popular output voltages: 10V, 7.5V, 5V and 2.5V. Other output voltages, above, below, or between the four standard outputs, are available by the addition of external resistors. The input voltage can vary between 4.5V and 30V
Key Features
-
Reference Voltage2.5|5|7.5|10 V
Featured Parts (14)
| Part Number | Manufacturer | Type | Description | |||
|---|---|---|---|---|---|---|
|
|
AD584JH | Analog Devices | Voltage References | V-Ref Programmable 2.5V/5V/7.5V/10V 10mA 8-Pin TO-99 Tube | Buy | |
|
|
AD584KNZ | Analog Devices | Voltage References | V-Ref Programmable 2.5V/5V/7.5V/10V 10mA 8-Pin PDIP N Tube | Buy | |
|
|
AD584SH/883B | Analog Devices | Voltage References | V-Ref Programmable 2.5V/5V/7.5V/10V 10mA 8-Pin TO-99 Tube | Buy | |
|
|
AD584THQMLR:93 | Analog Devices | Voltage References | V-Ref Programmable 2.5V/5V/7.5V/10V 8-Pin CAN | Buy | |
|
|
AD584JNZ | Analog Devices | Voltage References | V-Ref Programmable 2.5V/5V/7.5V/10V 10mA 8-Pin PDIP N Tube | Buy | |
|
|
AD584-000C | Analog Devices | Voltage References | V-Ref Programmable 2.5V/5V/7.5V/10V 10-Pin Die | Buy | |
|
|
AD584R000C | Analog Devices | Voltage References | V-Ref Programmable 2.5V/5V/7.5V/10V 10-Pin Die | Buy | |
|
|
AD584S | Analog Devices | Voltage References | V-Ref Programmable 2.5V/5V/7.5V/10V 10mA 8-Pin TO-99 | Buy | |
|
|
AD584SH | Analog Devices | Voltage References | V-Ref Programmable 2.5V/5V/7.5V/10V 10mA 8-Pin TO-99 Tube | Buy | |
|
|
AD584TCHIPS | Analog Devices | Voltage References | V-Ref Programmable 2.5V/5V/7.5V/10V 10mA Die Tray | Buy | |
|
|
AD584THQMLR:35 | Analog Devices | Voltage References | V-Ref Programmable 2.5V/5V/7.5V/10V 8-Pin CAN | Buy | |
|
|
AD584KH | Analog Devices | Voltage References | V-Ref Programmable 2.5V/5V/7.5V/10V 10mA 8-Pin TO-99 Tube | Buy | |