TPS65835, Single-chip power management Evaluation Board

Reference Design using part TPS65835RKP by Texas Instruments

Manufacturer

Texas Instruments
  • Application Category
    Battery Management
  • Product Type
    Battery Charger

For End Products

  • Computers and Peripherals
  • Gaming and Toys
  • Home Theater
  • Television

Description

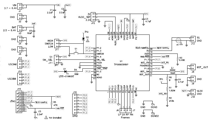
  • TPS65835EVM-705 is a fully assembled and tested platform for evaluating the performance of the TPS65835 single-chip power management device. The user's guide document includes schematic diagrams, a printed circuit board (PCB) layout, bill of materials, and test data. Throughout this document, the abbreviations EVM, TPS65835EVM, and the term evaluation module are synonymous with the TPS65835EVM-705 unless otherwise noted NOTE: In order to communicate with this EVM from a Windows-based PC, you must also purchase the MSP-FET430UIF - MSP430 USB Debugging Interface. The MSP430 USB Debugging Interface is listed below in the related tools section

Key Features

  • Battery Type
    Lithium-Ion|Lithium-Polymer
  • Input Voltage
    3.7 to 6.4 V
  • Output Voltage
    2.2|3|8 to 16|10 V
  • Number of Battery Cells
    1

We've updated our privacy policy. Please take a moment to review these changes. By clicking I Agree to Arrow Electronics Terms Of Use  and have read and understand the Privacy Policy and Cookie Policy.

Our website places cookies on your device to improve your experience and to improve our site. Read more about the cookies we use and how to disable them here. Cookies and tracking technologies may be used for marketing purposes.
By clicking “Accept”, you are consenting to placement of cookies on your device and to our use of tracking technologies. Click “Read More” below for more information and instructions on how to disable cookies and tracking technologies. While acceptance of cookies and tracking technologies is voluntary, disabling them may result in the website not working properly, and certain advertisements may be less relevant to you.
We respect your privacy. Read our privacy policy here