TIDEP0032, Multi-Protocol Industrial Ethernet Detection w/PRU-ICSS for Industrial Automation Reference Design
Reference Design using part AM3359ZCZ by Texas Instruments
For End Products
- I/O Sensor Module
- Industrial Automation HMI
- Industrial Communications
- Industrial Programmable Logic Controllers (PLCs)
- Industrial Sensor
Description
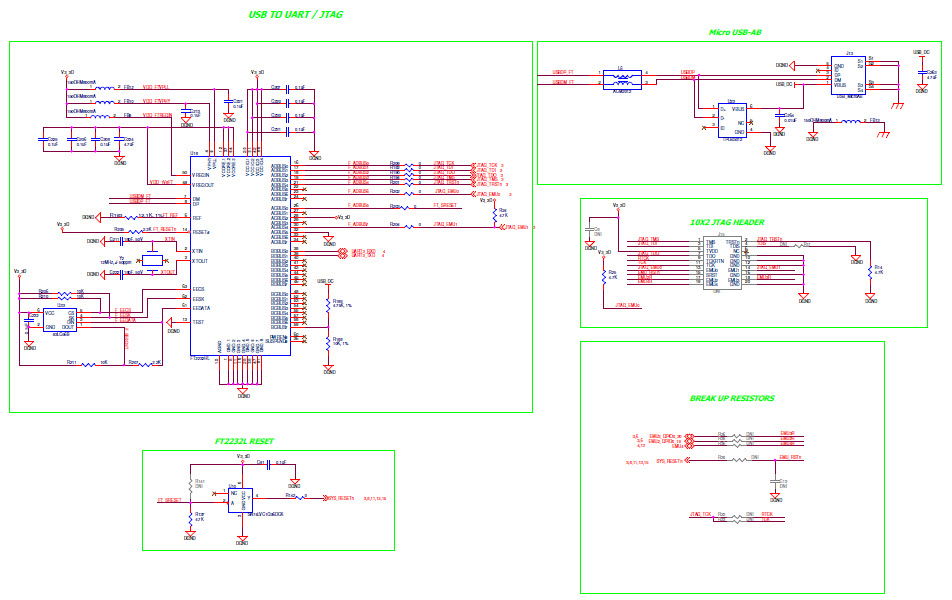
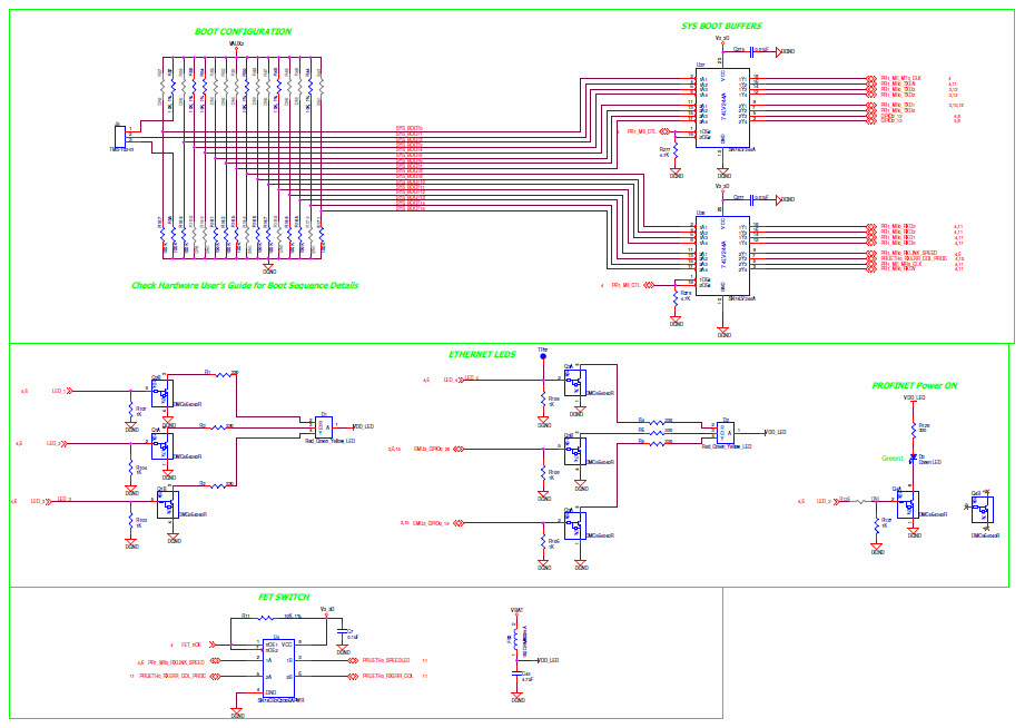
- TIDEP0032, Multi-Protocol Industrial Ethernet Detection w/PRU-ICSS for Industrial Automation Reference Design. Industrial Ethernet for Industrial Automation exist in more than 30 industrial standards. Some of the well-established real-time Ethernet protocols, like EtherCAT, Ethernet/IP, PROFINET, Sercos III and PowerLink require dedicated MAC hardware support in terms of FPGA or ASICs. The Programmable Real-time Unit inside the Industrial Communication Subsystem (PRU-ICSS), which exists as HW block inside the Sitara processors family, replaces FPGA or ASICS by a single chip solution. A firmware in the PRU-ICSS allows detecting the type of Industrial Ethernet protocol and loading the appropriate industrial application during run-time into Sitara processor
Key Features
-
Family NameSitara AM335x
-
Core ProcessorARM Cortex-A8
Featured Parts (23)
| Part Number | Manufacturer | Type | Description | |||
|---|---|---|---|---|---|---|
|
|
PCA9536DGKR | Texas Instruments | GPIO Expanders | I2C/SMBus Interface 100kHz/400kHz 5.5V 8-Pin VSSOP T/R | Buy | |
|
|
SN74CB3Q3306APWR | Texas Instruments | Bus Switches | Bus Switch 2-Element CMOS 2-IN 8-Pin TSSOP T/R | Buy | |
|
|
MT41J128M16JT-125:K | Micron Technology | DRAM Chip | DRAM Chip DDR3 SDRAM 2Gbit 128Mx16 1.5V 96-Pin FBGA Tray | Buy | |
|
|
FT2232HL-REEL | Future Technology Devices International Limited | USB Interface ICs | High Speed USB to UART/FIFO USB 2.0 1.8V/3.3V T/R 64-Pin LQFP | Buy | |
|
|
TPS65910A3A1RSL-222727801 | Texas Instruments | PMIC Solutions | OMAP3 Power Management 2.7V to 5.5V 48-Pin VQFN EP Tube | Buy | |
|
|
TPS71718DCKT | Texas Instruments | Linear Regulators | LDO Regulator Pos 1.8V 0.15A 5-Pin SC-70 T/R | Buy | |
|
|
TPS71718DCKR | Texas Instruments | Linear Regulators | LDO Regulator Pos 1.8V 0.15A 5-Pin SC-70 T/R | Buy | |
|
|
MT41J128M16JT-125G:K | Micron Technology | DRAM Chip | DRAM Chip GDDR3 SDRAM 2Gbit 128Mx16 1.5V 96-Pin FBGA | Buy | |
|
|
CDCE913PWR | Texas Instruments | Clock Generators and Synthesizers | Clock Generator 8MHz to 160MHz-IN 230MHz-OUT 14-Pin TSSOP T/R | Buy | |
|
|
MT41J128M16JT-125:K | Micron Technology | DRAM Chip | DRAM Chip DDR3 SDRAM 2Gbit 128Mx16 1.5V 96-Pin FBGA Tray | Buy | |
|
|
SN74CBTLV3257RGYR | Texas Instruments | Bus Switches | Multiplexer/Demultiplexer Bus Switch 1-Element CMOS 8-IN 16-Pin VQFN EP T/R | Buy | |
|
|
TPS76650D | Texas Instruments | Linear Regulators | LDO Regulator Pos 5V 0.25A 8-Pin SOIC Tube | Buy | |