TIDA-00503, Automotive SEPIC Backlight Driver Reference Design with two coils

Reference Design using part LP8861QPWPRQ1 by Texas Instruments

Manufacturer

Texas Instruments
  • Application Category
    Lighting
  • Product Type
    Backlight LED Driver

Description

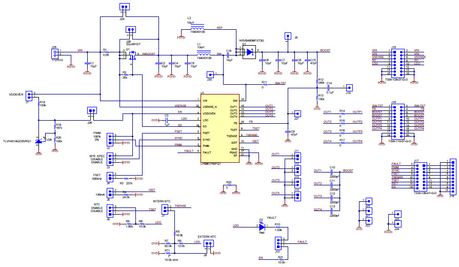
  • TIDA-00503, Automotive SEPIC Backlight Driver Reference Design with two coils. The TIDA-00503 reference design is a SEPIC mode LED driver design for automotive backlight applications with 2 or 3 LEDs in series. SEPIC enables VIN both above and below VOUT. The LED driver operates at a switching frequency of 2.2MHz for a small overall footprint and all components are limited to <3mm in height

Key Features

  • Input Voltage
    4.5 to 40 V
  • Number of Derived Elements
    2|3

We've updated our privacy policy. Please take a moment to review these changes. By clicking I Agree to Arrow Electronics Terms Of Use  and have read and understand the Privacy Policy and Cookie Policy.

Our website places cookies on your device to improve your experience and to improve our site. Read more about the cookies we use and how to disable them here. Cookies and tracking technologies may be used for marketing purposes.
By clicking “Accept”, you are consenting to placement of cookies on your device and to our use of tracking technologies. Click “Read More” below for more information and instructions on how to disable cookies and tracking technologies. While acceptance of cookies and tracking technologies is voluntary, disabling them may result in the website not working properly, and certain advertisements may be less relevant to you.
We respect your privacy. Read our privacy policy here