PMP8896, 5V/2A High Efficiency Flyback Converter for PoE Applications

Reference Design using part TPS23753APW by Texas Instruments

Manufacturer

Texas Instruments
  • Application Category
    Power Supplies
  • Product Type
    DC to DC Single Output Power Supplies

For End Products

  • Power Over Ethernet

Description

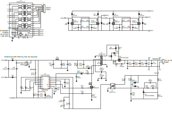
  • PMP8896, 5V/2A High Efficiency Flyback Converter for PoE Applications. Converter is used for Class 3 PoE applications where high efficiency is required. The flyback converter with synchronous rectifier provides excellent efficiency and small size for PoE applications. The TPS23753A contains both the PoE Powered Device and the PWM controller functions

Key Features

  • Conversion Type
    DC to DC
  • Input Voltage
    36 to 57 V
  • Output Voltage
    5 V
  • Output Current
    2 A
  • Output Power
    10 W
  • Topology
    Flyback- Synchronous|PoE

We've updated our privacy policy. Please take a moment to review these changes. By clicking I Agree to Arrow Electronics Terms Of Use  and have read and understand the Privacy Policy and Cookie Policy.

Our website places cookies on your device to improve your experience and to improve our site. Read more about the cookies we use and how to disable them here. Cookies and tracking technologies may be used for marketing purposes.
By clicking “Accept”, you are consenting to placement of cookies on your device and to our use of tracking technologies. Click “Read More” below for more information and instructions on how to disable cookies and tracking technologies. While acceptance of cookies and tracking technologies is voluntary, disabling them may result in the website not working properly, and certain advertisements may be less relevant to you.
We respect your privacy. Read our privacy policy here