PMP4017, 85VAC - 265VAC Input, 5W +/-15V and 5V Quasi-Resonant Flyback
Reference Design using part UCC28600D by Texas Instruments
Associated Documents
For End Products
- Consumer Electronics
Description
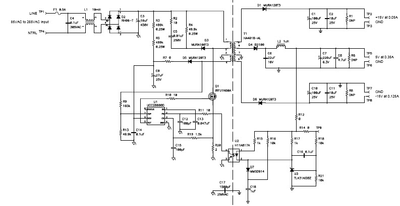
- PMP4017, 85VAC - 265VAC Input, 5W +/-15V and 5V Quasi-Resonant Flyback. Reference design uses the UCC28600 quasi-resonant flyback controller to generate a three outputs from a universal AC input source. The outputs provided are +15V/50mA, -15V/125mA, and 5V/350mA. The 5V output is regulated. The +/-15V outputs are generated from auxiliary windings on the power transformer and remain within 12% of their nominal voltages across all loading conditions
Key Features
-
Conversion TypeAC to DC
-
Input Voltage85 to 265 (AC) V
-
Output Voltage5 V
-
Output Current0.35 A
-
Output Power1.75 W
-
TopologyFlyback- Quasi Resonant
Featured Parts (8)
| Part Number | Manufacturer | Type | Description | |||
|---|---|---|---|---|---|---|
|
|
TL431AIDBZRG4 | Texas Instruments | Voltage References | V-Ref Adjustable 2.495V to 36V 100mA 3-Pin SOT-23 T/R | Buy | |
|
|
TL431AIDBZT | Texas Instruments | Voltage References | V-Ref Adjustable 2.495V to 36V 100mA 3-Pin SOT-23 T/R | Buy | |
|
|
TL431AIDBZR | Texas Instruments | Voltage References | V-Ref Adjustable 2.495V to 36V 100mA 3-Pin SOT-23 T/R | Buy | |
|
|
TL431AIDBZTG4 | Texas Instruments | Voltage References | V-Ref Adjustable 2.495V to 36V 100mA 3-Pin SOT-23 T/R | Buy | |
|
|
UCC28600DG4 | Texas Instruments | AC to DC Switching Converters | AC to DC Switching Converter Flyback Tube 8-Pin SOIC | Buy | |
|
|
UCC28600DRG4 | Texas Instruments | AC to DC Switching Converters | AC to DC Switching Converter Flyback T/R 8-Pin SOIC | Buy | |
|
|
UCC28600D | Texas Instruments | AC to DC Switching Converters | AC to DC Switching Converter Flyback Tube 8-Pin SOIC | Buy | |
|
|
UCC28600DR | Texas Instruments | AC to DC Switching Converters | AC to DC Switching Converter Flyback T/R 8-Pin SOIC | Buy | |